OEM موصل SMP محكم الغلق Supplier

نينغبو هانسون تكنولوجيا الاتصالات المحدودة بيت / منتجات / سلسلة مختومة بإحكام / موصل SMP محكم الغلق

موصل SMP محكم الغلق

وصف:

يتميز الموصل المحوري RF المحكم من النوع SMP-J بخصائص التغليف المحكم ويمكن تعبئته ولحامه على غلاف الأنبوب أو لوحة الجهاز. الغلاف والموصل الداخلي لهذا المنتج مصنوعان من مادة سبائك Kovar، ويمكن طلاء السطح بالذهب الصلب أو الذهب الناعم؛ الوسط العازل مصنوع من الزجاج الملبد عند درجة حرارة عالية، وثابت العزل الكهربائي حوالي 4. إنه يتميز بمزايا الحجم الصغير، الوزن الخفيف، الختم المحكم، الموثوقية العالية، إلخ. يستخدم في الغالب في المناسبات ذات متطلبات الختم أو المتطلبات الخاصة على حجم المنتج ووزنه، وهو مناسب للتركيب المكثف.

استفسر

الهيكل الأساسي:
يتكون الموصل المحوري RF المغلق بالهواء من النوع SMP-J عادةً من ثلاثة أجزاء: الموصل الخارجي والوسط الزجاجي والموصل الداخلي، ويظهر الهيكل الأساسي في الشكل.

عندما يتم توصيل الجزء المكشوف من الموصل الداخلي للمنتج عن طريق الإدخال أو اللحام السطحي، يمكن إنتاج الوجه النهائي للموصل الداخلي كرأس كروي؛ عندما يتم توصيل الجزء المكشوف من الموصل الداخلي للمنتج عن طريق الترابط، يمكن إنتاج الوجه النهائي للموصل الداخلي كرأس مسطح أو يمكن طحن جانب الجزء المكشوف من الموصل الداخلي.

المعلمات التقنية الرئيسية:

الخصائص الكهربائية
مقاومة مميزة 50أوم نطاق التردد تيار مستمر ~ 40 جيجا هرتز
عازلة تحمل الجهد 500 فولت مقاومة العزل 2000 م Ω
الجهد VSWR <1.4 فقدان الإدراج .050.05 √ و ديسيبل (جيجاهرتز)
الخصائص المادية والميكانيكية والبيئية
غلاف سبيكة قابلة للغسل/مطلية بالذهب دبابيس سد الثوريوم طلاء سبائك الذهب القابل للتفويض
وسط العزل زجاج متانة الموصل الحفاضة الكاملة ≥100 مرة
معدل التسرب .01.01325×10 بنسلفانيا ·م³/ث احتجاز محدود ≥500 مرة
درجة حرارة التشغيل -65 درجة مئوية ~ 165 درجة مئوية تتحمل على نحو سلس ≥1000 مرة

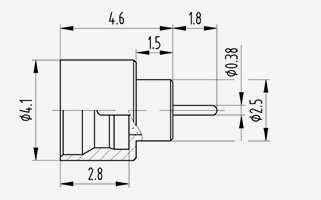
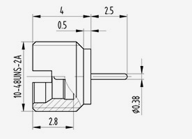
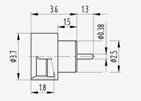
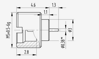
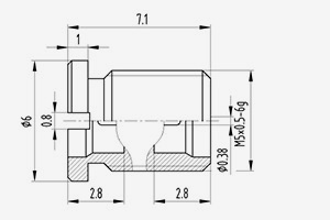
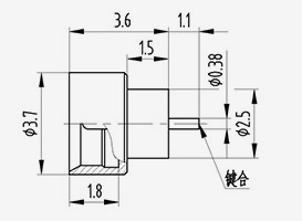
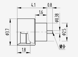
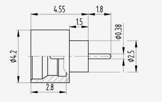
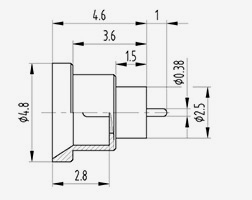
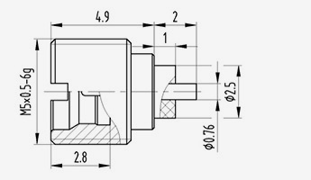
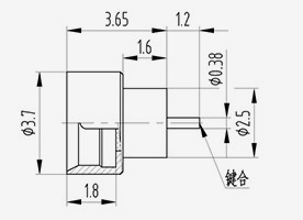
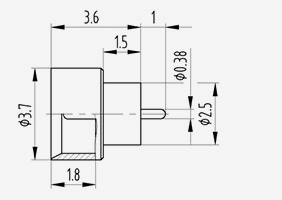
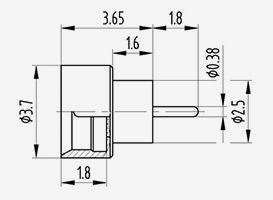
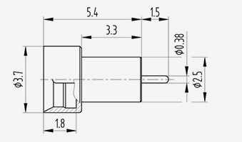
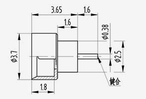
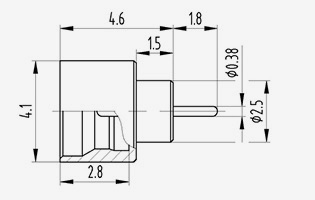
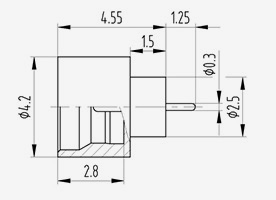
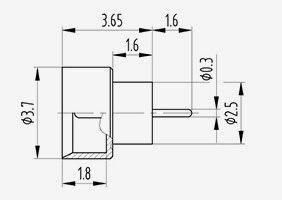
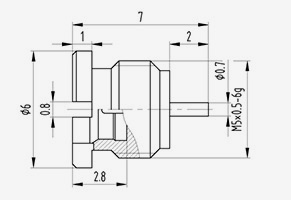
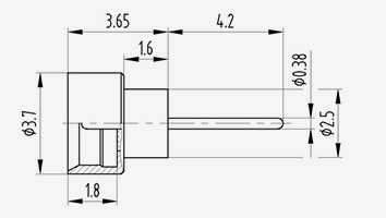
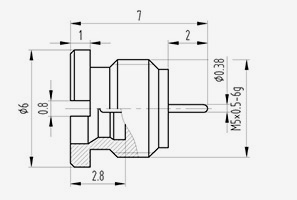
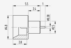
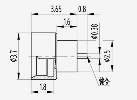
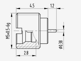
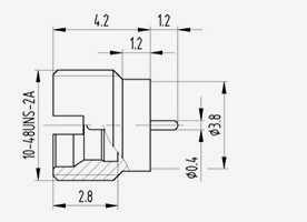
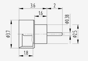
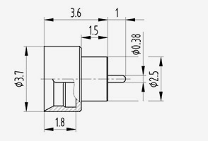
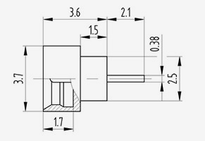
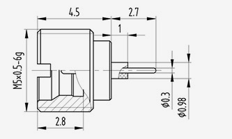
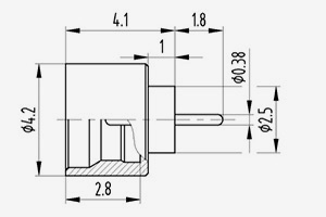
أبعاد الواجهة:
تحتوي الموصلات المحورية RF المختومة بالهواء من النوع SMP-J على ثلاثة أشكال للواجهة: ميزان كامل، نصف ميزان، وثقب خفيف. عند تسمية النموذج، يعني F ميزانًا كاملاً، وL يعني نصف ميزان، وS يعني فتحة الضوء. تنقسم أبعاد الواجهة إلى أبعاد واجهة قياسية وأبعاد واجهة قصيرة، وكلاهما قابل للدمج مع المقابس من النوع SMP-K.

حجم الواجهة القياسي:

حجم الواجهة القصيرة:

إس إم بي SERIES
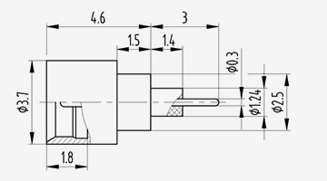
  • SMP(م)-JYD3S
    SMP(م)-JYD3S
    نموذج ملاحظات
    SMP(م)-JYD3S تتحمل السلس
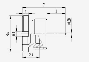
  • SMP(م)-JYD6L
    SMP(م)-JYD6L
    نموذج ملاحظات
    SMP(م)-JYD6L حجز محدود
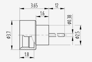
  • SMP(م)-JYD12L
    SMP(م)-JYD12L
    نموذج ملاحظات
    SMP(م)-JYD12L كامل المضمون
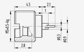
  • SMP(م)-JYD13F
    SMP(م)-JYD13F
    نموذج ملاحظات
    SMP(م)-JYD13F كامل المضمون
  • SMP(م)-JYD14L
    SMP(م)-JYD14L
    نموذج ملاحظات
    SMP(م)-JYD14L حجز محدود
  • SMP(م)-JYD17S
    SMP(م)-JYD17S
    نموذج ملاحظات
    SMP(م)-JYD17S تتحمل السلس
  • SMP(م)-JYD19L
    SMP(م)-JYD19L
    نموذج ملاحظات
    SMP(م)-JYD19L حجز محدود
  • SMP(م)-JYD22S
    SMP(م)-JYD22S
    نموذج ملاحظات
    SMP(م)-JYD22S حجز محدود
  • SMP(م)-JYD23S
    SMP(م)-JYD23S
    نموذج ملاحظات
    SMP(م)-JYD23S حجز محدود
  • SMP(م)-JYD24S
    SMP(م)-JYD24S
    نموذج ملاحظات
    SMP(م)-JYD24S حجز محدود
  • SMP(م)-JYD25L
    SMP(م)-JYD25L
    نموذج ملاحظات
    SMP(م)-JYD25L حجز محدود
  • SMP(م)-JYD26L
    SMP(م)-JYD26L
    نموذج ملاحظات
    SMP(م)-JYD26L حجز محدود
  • SMP(م)-JYD27L
    SMP(م)-JYD27L
    نموذج ملاحظات
    SMP(م)-JYD27L حجز محدود
  • SMP(م)-JYD28L
    SMP(م)-JYD28L
    نموذج ملاحظات
    SMP(م)-JYD28L حجز محدود
  • SMP(م)-JYD29L
    SMP(م)-JYD29L
    نموذج ملاحظات
    SMP(م)-JYD29L احتجاز محدود
  • SMP(م)-JYD30L
    SMP(م)-JYD30L
    نموذج ملاحظات
    SMP(م)-JYD30L حجز محدود
  • SMP(م)-JYD31L
    SMP(م)-JYD31L
    نموذج ملاحظات
    SMP(م)-JYD31L حجز محدود
  • SMP(م)-JYD32F
    SMP(م)-JYD32F
    نموذج ملاحظات
    SMP(م)-JYD32F حجز محدود
  • SMP(م)-JYD33L
    SMP(م)-JYD33L
    نموذج ملاحظات
    SMP(م)-JYD33L احتجاز محدود
  • SMP(م)-JYD34L
    SMP(م)-JYD34L
    نموذج ملاحظات
    SMP(م)-JYD34L حجز محدود
  • SMP(م)-JYD35L
    SMP(م)-JYD35L
    نموذج ملاحظات
    SMP(م)-JYD35L حجز محدود
  • SMP(م)-JYD37L
    SMP(م)-JYD37L
    نموذج ملاحظات
    SMP(م)-JYD37L حجز محدود
  • SMP(م)-JYD41L
    SMP(م)-JYD41L
    نموذج ملاحظات
    SMP(م)-JYD41L حجز محدود
  • SMP(م)-JYD42S
    SMP(م)-JYD42S
    نموذج ملاحظات
    SMP(م)-JYD42S احتجاز محدود
  • SMP(م)-JYD43L
    SMP(م)-JYD43L
    نموذج ملاحظات
    SMP(م)-JYD43L حجز محدود
  • SMP(م)-JYD44L
    SMP(م)-JYD44L
    نموذج ملاحظات
    SMP(م)-JYD44L حجز محدود
  • SMP(م)-JYD45L
    SMP(م)-JYD45L
    نموذج ملاحظات
    SMP(م)-JYD45L حجز محدود
  • SMP(م)-JYD46L
    SMP(م)-JYD46L
    نموذج ملاحظات
    SMP(م)-JYD46L حجز محدود
  • SMP(م)-JYD47L
    SMP(م)-JYD47L
    نموذج ملاحظات
    SMP(م)-JYD47L احتجاز محدود
  • SMP(م)-JYD48L
    SMP(م)-JYD48L
    نموذج ملاحظات
    SMP(م)-JYD48L حجز محدود
  • SMP(م)-JYD49L
    SMP(م)-JYD49L
    نموذج ملاحظات
    SMP(م)-JYD49L حجز محدود
  • SMP(م)-JYD50S
    SMP(م)-JYD50S
    نموذج ملاحظات
    SMP(م)-JYD50S تتحمل السلس
  • SMP(م)-JYD51L
    SMP(م)-JYD51L
    نموذج ملاحظات
    SMP(م)-JYD51L حجز محدود
  • SMP(م)-JYD52S
    SMP(م)-JYD52S
    نموذج ملاحظات
    SMP(م)-JYD52S تتحمل السلس
  • SMP(م)-JYD53L
    SMP(م)-JYD53L
    نموذج ملاحظات
    SMP(م)-JYD53L احتجاز محدود
  • SMP(م)-JYD54S
    SMP(م)-JYD54S
    نموذج ملاحظات
    SMP(م)-JYD54S تتحمل السلس
  • SMP(م)-JYD55L
    SMP(م)-JYD55L
    نموذج ملاحظات
    SMP(م)-JYD55L حجز محدود
  • SMP(م)-JYD57S
    SMP(م)-JYD57S
    نموذج ملاحظات
    SMP(م)-JYD57S تتحمل السلس
  • SMP(م)-JYD80L
    SMP(م)-JYD80L
    نموذج ملاحظات
    SMP(م)-JYD80L حجز محدود
  • SMP(م)-JYD82L
    SMP(م)-JYD82L
    نموذج ملاحظات
    SMP(م)-JYD82L حجز محدود
  • SMP(م)-JYD83F
    SMP(م)-JYD83F
    نموذج ملاحظات
    SMP(م)-JYD83F كامل المضمون
  • SMP(م)-JYD84S
    SMP(م)-JYD84S
    نموذج ملاحظات
    SMP(م)-JYD84S تتحمل السلس
  • SMP(م)-JYD85S
    SMP(م)-JYD85S
    نموذج ملاحظات
    SMP(م)-JYD85S تتحمل السلس
  • SMP(م)-JYD86L
    SMP(م)-JYD86L
    نموذج ملاحظات
    SMP(م)-JYD86L حجز محدود
  • SMP(م)-JYD87S
    SMP(م)-JYD87S
    نموذج ملاحظات
    SMP(م)-JYD87S تتحمل السلس
  • SMP(م)-JYD88L
    SMP(م)-JYD88L
    نموذج ملاحظات
    SMP(م)-JYD88L حجز محدود
  • SMP(م)-JYD89L
    SMP(م)-JYD89L
    نموذج ملاحظات
    SMP(م)-JYD89L حجز محدود
  • SMP(م)-JYD90L
    SMP(م)-JYD90L
    نموذج ملاحظات
    SMP(م)-JYD90L حجز محدود
  • SMP(م)-JYD91L
    SMP(م)-JYD91L
    نموذج ملاحظات
    SMP(م)-JYD91L حجز محدود
  • SMP(م)-JYD92L
    SMP(م)-JYD92L
    نموذج ملاحظات
    SMP(م)-JYD92L حجز محدود
  • SMP(م)-JYD93S
    SMP(م)-JYD93S
    نموذج ملاحظات
    SMP(م)-JYD93S تتحمل السلس
  • SMP(م)-JYD94L
    SMP(م)-JYD94L
    نموذج ملاحظات
    SMP(م)-JYD94L حجز محدود
  • SMP(م)-JYD95L
    SMP(م)-JYD95L
    نموذج ملاحظات
    SMP(م)-JYD95L حجز محدود
  • SMP(م)-JYD96L
    SMP(م)-JYD96L
    نموذج ملاحظات
    SMP(م)-JYD96L حجز محدود
  • SMP(م)-JYD97S
    SMP(م)-JYD97S
    نموذج ملاحظات
    SMP(م)-JYD97S تتحمل السلس
  • SMP(م)-JYJ1S
    SMP(م)-JYJ1S
    نموذج ملاحظات
    SMP(م)-JYJ1S تتحمل السلس

أبق على اتصال

[#مدخل#]
إرسال
معلومات عنا
نينغبو هانسون تكنولوجيا الاتصالات المحدودة
نينغبو هانسون تكنولوجيا الاتصالات المحدودة
Ningbo Hanson Communication Technology Co., Ltd. is China موصل SMP محكم الغلق Supplier and Custom موصل SMP محكم الغلق Company. We are a manufacturer specializing in the production, processing, and trade of communication components, with more than 30 years of experience in RF coaxial connectors, adapters, and cable assemblies. لقد طورت الشركة الآن ورشة التصنيع الخاصة بها، وورشة الطلاء الكهربائي، وورشة التجميع، ومجموعة من الموردين المستقرين والموثوقين. هدف الشركة هو تزويد العملاء بمنتجات عالية الجودة. المنتجات الرئيسية هي الموصلات المحورية للترددات اللاسلكية، والمحولات، وتجميعات الكابلات عالية التردد، وتجميعات الكابلات ذات التشكيل البيني المنخفض. بالإضافة إلى ذلك، يمكن للشركة أيضًا تقديم خدمات للعملاء ذوي الاحتياجات المخصصة لتلبية متطلبات العملاء الخاصة للمنتجات. تُستخدم منتجات الشركة على نطاق واسع في مجال الطيران ومحطات الاتصالات والمعدات الطبية وغيرها من مجالات التقنية العالية. في وقت إصلاح المؤسسات والابتكار والتطوير والنمو، أخذت الشركة زمام المبادرة للانضمام إلى نظام إدارة الجودة الدولي ISO9001 وقامت باستمرار بتحسين مستوى الإدارة لتوفير منتجات وخدمات أكثر إرضاءً للعملاء الجدد والقدامى.
آخر الأخبار
هل تبحث عن فرصة عمل؟

طلب مكالمة اليوم