OEM موصل SMPM محكم الغلق Supplier

نينغبو هانسون تكنولوجيا الاتصالات المحدودة بيت / منتجات / سلسلة مختومة بإحكام / موصل SMPM محكم الغلق

موصل SMPM محكم الغلق

وصف:

الموصل المختوم SMPM (SubMiniature Push-on Micro) عبارة عن موصل RF مصغر مع ميزان كامل وشبه ميزان وثقب خفيف، مصمم للتطبيقات ذات التردد العالي والمساحة المدمجة والتطبيقات خفيفة الوزن. إنه موصل يتم الضغط عليه، ويستخدم بشكل شائع في الاتصالات والمعدات الإلكترونية التي تتطلب وزنًا منخفضًا وموثوقية عالية وصغر الحجم. تتمتع موصلات SMPM بجودة نقل إشارة عالية ويمكن أن توفر أداءً كهربائيًا جيدًا.

استفسر

الهيكل الأساسي:
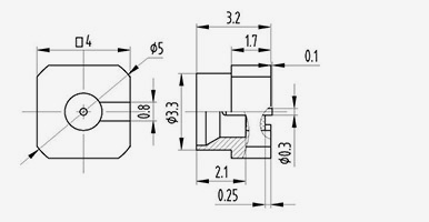
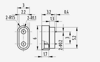
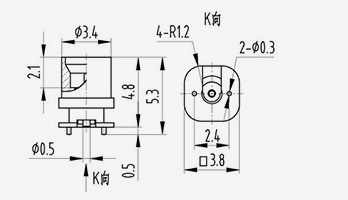
يتكون الموصل المحوري RF من النوع SMPM-J من ثلاثة أجزاء: الموصل الخارجي والوسط الزجاجي والموصل الداخلي، ويظهر الهيكل الأساسي في الشكل أدناه:

المعلمات التقنية الرئيسية:

الخصائص الكهربائية
مقاومة مميزة 50أوم نطاق التردد تيار مستمر ~ 40 جيجا هرتز
عازلة تحمل الجهد 500 فولت مقاومة العزل 2000 م Ω
الجهد VSWR <1.4 فقدان الإدراج .050.05 √ و ديسيبل (جيجاهرتز)
الخصائص المادية والميكانيكية والبيئية
غلاف سبيكة قابلة للغسل/مطلية بالذهب دبابيس سبيكة قابلة للغسل/مطلية بالذهب
وسط العزل زجاج متانة الموصل الهروب الكامل 100 مرة
معدل التسرب .01.01325×10 بنسلفانيا ·م³/ث ثقب بصري 1000 مرة
درجة حرارة التشغيل -65 درجة مئوية ~ 165 درجة مئوية

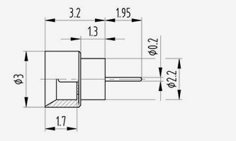
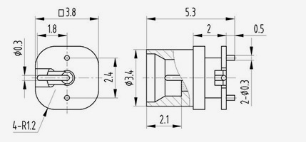
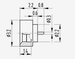
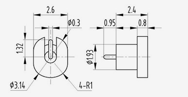
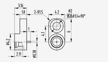
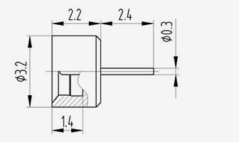
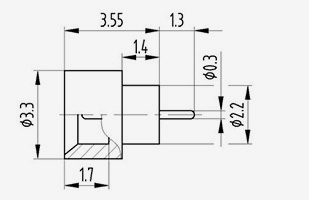
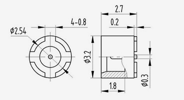
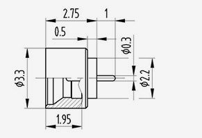
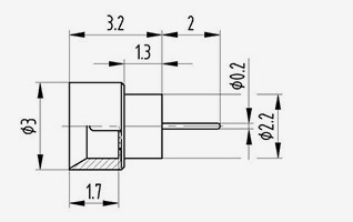
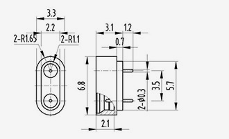
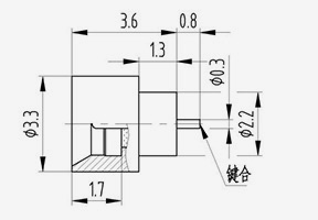
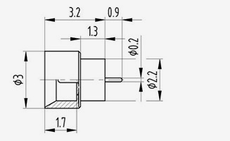
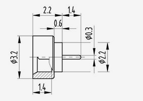
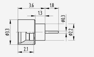
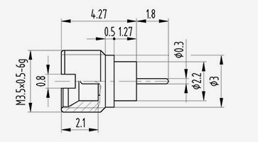
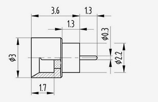
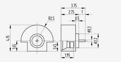
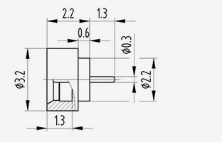
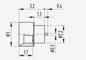
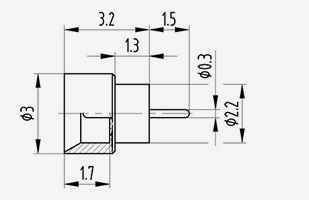
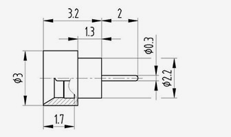
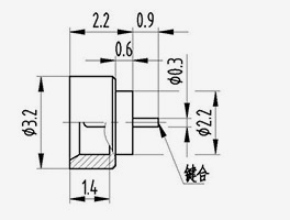
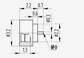
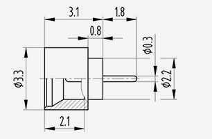
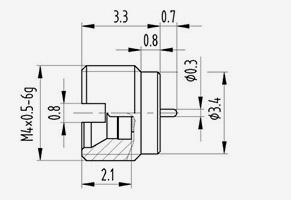
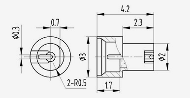
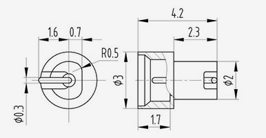
حجم الواجهة:
تحتوي الموصلات المحورية RF المختومة بالهواء من النوع SMPM-J على شكلين من الواجهة: ميزان كامل وثقب مكشوف. عند تسمية النموذج، يشير F إلى الهروب الكامل و
S يعني ثقب الضوء. تنقسم أبعاد الواجهة إلى أبعاد واجهة قياسية وأبعاد واجهة قصيرة، وكلاهما قابل للتداخل مع المقابس من النوع SMPM-K.
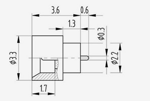
حجم الواجهة القياسي:

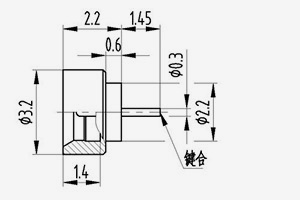
أبعاد الواجهة القصيرة:

SMPM SERIES
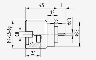
  • SMPM(م)-JYD3S
    SMPM(م)-JYD3S
    نموذج ملاحظات
    SMPM(م)-JYD3S تتحمل السلس
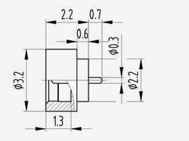
  • SMPM(M)-JYD5S
    SMPM(M)-JYD5S
    نموذج ملاحظات
    SMPM(M)-JYD5S تتحمل السلس
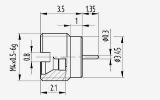
  • SMPM(م)-JYD8F
    SMPM(م)-JYD8F
    نموذج ملاحظات
    SMPM(م)-JYD8F كامل المضمون
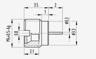
  • SMPM(م)-JYD10F
    SMPM(م)-JYD10F
    نموذج ملاحظات
    SMPM(م)-JYD10F كامل المضمون
  • SMPM(م)-JYD12S
    SMPM(م)-JYD12S
    نموذج ملاحظات
    SMPM(م)-JYD12S تتحمل السلس
  • SMPM(م)-JYD13F
    SMPM(م)-JYD13F
    نموذج ملاحظات
    SMPM(م)-JYD13F كامل المضمون
  • SMPM(م)-JYD14F
    SMPM(م)-JYD14F
    نموذج ملاحظات
    SMPM(م)-JYD14F كامل المضمون
  • SMPM(م)-JYD15F
    SMPM(م)-JYD15F
    نموذج ملاحظات
    SMPM(م)-JYD15F كامل المضمون
  • SMPM(م)-JYD16S
    SMPM(م)-JYD16S
    نموذج ملاحظات
    SMPM(م)-JYD16S تتحمل السلس
  • SMPM(م)-JYD17S
    SMPM(م)-JYD17S
    نموذج ملاحظات
    SMPM(م)-JYD17S تتحمل السلس
  • SMPM(م)-JYD18S
    SMPM(م)-JYD18S
    نموذج ملاحظات
    SMPM(م)-JYD18S تتحمل السلس
  • SMPM(م)-JYD19S
    SMPM(م)-JYD19S
    نموذج ملاحظات
    SMPM(م)-JYD19S تتحمل السلس
  • SMPM(م)-JYD20F
    SMPM(م)-JYD20F
    نموذج ملاحظات
    SMPM(م)-JYD20F كامل المضمون
  • SMPM(م)-JYD21S
    SMPM(م)-JYD21S
    نموذج ملاحظات
    SMPM(م)-JYD21S تتحمل السلس
  • SMPM(م)-JYD22F
    SMPM(م)-JYD22F
    نموذج ملاحظات
    SMPM(م)-JYD22F كامل المضمون
  • SMPM(م)-JYD23S
    SMPM(م)-JYD23S
    نموذج ملاحظات
    SMPM(م)-JYD23S تتحمل السلس
  • SMPM(م)-JYD24F
    SMPM(م)-JYD24F
    نموذج ملاحظات
    SMPM(م)-JYD24F كامل المضمون
  • SMPM(م)-JYD25F
    SMPM(م)-JYD25F
    نموذج ملاحظات
    SMPM(م)-JYD25F كامل المضمون
  • SMPM(م)-JYD26F
    SMPM(م)-JYD26F
    نموذج ملاحظات
    SMPM(م)-JYD26F كامل المضمون
  • SMPM(م)-JYD27S
    SMPM(م)-JYD27S
    نموذج ملاحظات
    SMPM(م)-JYD27S تتحمل السلس
  • SMPM(م)-JYD28S
    SMPM(م)-JYD28S
    نموذج ملاحظات
    SMPM(م)-JYD28S تتحمل السلس
  • SMPM(م)-JYD29F
    SMPM(م)-JYD29F
    نموذج ملاحظات
    SMPM(م)-JYD29F كامل المضمون
  • SMPM(م)-JYD30S
    SMPM(م)-JYD30S
    نموذج ملاحظات
    SMPM(م)-JYD30S تتحمل السلس
  • SMPM(م)-JYD31F
    SMPM(م)-JYD31F
    نموذج ملاحظات
    SMPM(م)-JYD31F كامل المضمون
  • SMPM(م)-JYD32F
    SMPM(م)-JYD32F
    نموذج ملاحظات
    SMPM(م)-JYD32F كامل المضمون
  • SMPM(م)-JYD33S
    SMPM(م)-JYD33S
    نموذج ملاحظات
    SMPM(م)-JYD33S تتحمل السلس
  • SMPM(م)-JYD34S
    SMPM(م)-JYD34S
    نموذج ملاحظات
    SMPM(م)-JYD34S تتحمل السلس
  • SMPM(م)-JYD35S
    SMPM(م)-JYD35S
    نموذج ملاحظات
    SMPM(م)-JYD35S تتحمل السلس
  • SMPM(م)-JYD36S
    SMPM(م)-JYD36S
    نموذج ملاحظات
    SMPM(م)-JYD36S تتحمل السلس
  • SMPM(م)-JYD37S
    SMPM(م)-JYD37S
    نموذج ملاحظات
    SMPM(م)-JYD37S تتحمل السلس
  • SMPM(م)-JYD38S
    SMPM(م)-JYD38S
    نموذج ملاحظات
    SMPM(م)-JYD38S تتحمل السلس
  • SMPM(م)-JYD39S
    SMPM(م)-JYD39S
    نموذج ملاحظات
    SMPM(م)-JYD39S تتحمل السلس
  • SMPM(م)-JYD41S
    SMPM(م)-JYD41S
    نموذج ملاحظات
    SMPM(م)-JYD41S تتحمل السلس
  • SMPM(م)-JYD42S
    SMPM(م)-JYD42S
    نموذج ملاحظات
    SMPM(م)-JYD42S تتحمل السلس
  • SMPM(م)-JYD43F
    SMPM(م)-JYD43F
    نموذج ملاحظات
    SMPM(م)-JYD43F كامل المضمون
  • SMPM(م)-JYD44F
    SMPM(م)-JYD44F
    نموذج ملاحظات
    SMPM(م)-JYD44F كامل المضمون
  • SMPM(م)-JYD45S
    SMPM(م)-JYD45S
    نموذج ملاحظات
    SMPM(م)-JYD45S تتحمل السلس
  • SMPM(م)-JYD46S
    SMPM(م)-JYD46S
    نموذج ملاحظات
    SMPM(م)-JYD46S تتحمل السلس
  • SMPM(م)-JYD60F
    SMPM(م)-JYD60F
    نموذج ملاحظات
    SMPM(م)-JYD60F كامل المضمون
  • SMPM(م)-JYD61F
    SMPM(م)-JYD61F
    نموذج ملاحظات
    SMPM(م)-JYD61F كامل المضمون
  • SMPM(م)-JYD62F
    SMPM(م)-JYD62F
    نموذج ملاحظات
    SMPM(م)-JYD62F كامل المضمون
  • SMPM(م)-JYD63S
    SMPM(م)-JYD63S
    نموذج ملاحظات
    SMPM(م)-JYD63S تتحمل السلس
  • SMPM(م)-JYD64S
    SMPM(م)-JYD64S
    نموذج ملاحظات
    SMPM(م)-JYD64S تتحمل السلس
  • SMPM(م)-JYD65S
    SMPM(م)-JYD65S
    نموذج ملاحظات
    SMPM(م)-JYD65S تتحمل السلس
  • SMPM(م)-JYD66S
    SMPM(م)-JYD66S
    نموذج ملاحظات
    SMPM(م)-JYD66S تتحمل السلس
  • SMPM(م)-JHD1S
    SMPM(م)-JHD1S
    نموذج ملاحظات
    SMPM(م)-JHD1S تتحمل السلس
  • SMPM(م)-JHD2F
    SMPM(م)-JHD2F
    نموذج ملاحظات
    SMPM(م)-JHD2F كامل المضمون
  • SMPM(م)-JHD3F
    SMPM(م)-JHD3F
    نموذج ملاحظات
    SMPM(م)-JHD3F كامل المضمون
  • SMPM(م)-JHD4F
    SMPM(م)-JHD4F
    نموذج ملاحظات
    SMPM(م)-JHD4F كامل المضمون
  • SMPM(م)-JHD6F
    SMPM(م)-JHD6F
    نموذج ملاحظات
    SMPM(م)-JHD6F كامل المضمون
  • SMPM(م)-JHD21F
    SMPM(م)-JHD21F
    نموذج ملاحظات
    SMPM(م)-JHD21F كامل المضمون
  • SMPM(م)-JFD1S
    SMPM(م)-JFD1S
    نموذج ملاحظات
    SMPM(م)-JFD1S تتحمل السلس
  • SMPM(م)-JWSD1S
    SMPM(م)-JWSD1S
    نموذج ملاحظات
    SMPM(م)-JWSD1S تتحمل السلس
  • SMPM(م)-JWSD8
    SMPM(م)-JWSD8
    نموذج ملاحظات
    SMPM(M)-JWSD8
  • SMPM(M)-JWSD9S
    SMPM(M)-JWSD9S
    نموذج ملاحظات
    SMPM(M)-JWSD9S تتحمل السلس
  • SMPM(م)-JWSD10S
    SMPM(م)-JWSD10S
    نموذج ملاحظات
    SMPM(م)-JWSD10S تتحمل السلس
  • SMPM(م)-JSD1S
    SMPM(م)-JSD1S
    نموذج ملاحظات
    SMPM(م)-JSD1S تتحمل السلس

أبق على اتصال

[#مدخل#]
إرسال
معلومات عنا
نينغبو هانسون تكنولوجيا الاتصالات المحدودة
نينغبو هانسون تكنولوجيا الاتصالات المحدودة
Ningbo Hanson Communication Technology Co., Ltd. is China موصل SMPM محكم الغلق Supplier and Custom موصل SMPM محكم الغلق Company. We are a manufacturer specializing in the production, processing, and trade of communication components, with more than 30 years of experience in RF coaxial connectors, adapters, and cable assemblies. لقد طورت الشركة الآن ورشة التصنيع الخاصة بها، وورشة الطلاء الكهربائي، وورشة التجميع، ومجموعة من الموردين المستقرين والموثوقين. هدف الشركة هو تزويد العملاء بمنتجات عالية الجودة. المنتجات الرئيسية هي الموصلات المحورية للترددات اللاسلكية، والمحولات، وتجميعات الكابلات عالية التردد، وتجميعات الكابلات ذات التشكيل البيني المنخفض. بالإضافة إلى ذلك، يمكن للشركة أيضًا تقديم خدمات للعملاء ذوي الاحتياجات المخصصة لتلبية متطلبات العملاء الخاصة للمنتجات. تُستخدم منتجات الشركة على نطاق واسع في مجال الطيران ومحطات الاتصالات والمعدات الطبية وغيرها من مجالات التقنية العالية. في وقت إصلاح المؤسسات والابتكار والتطوير والنمو، أخذت الشركة زمام المبادرة للانضمام إلى نظام إدارة الجودة الدولي ISO9001 وقامت باستمرار بتحسين مستوى الإدارة لتوفير منتجات وخدمات أكثر إرضاءً للعملاء الجدد والقدامى.
آخر الأخبار
هل تبحث عن فرصة عمل؟

طلب مكالمة اليوم