OEM عازل زجاجي للترددات اللاسلكية Supplier

نينغبو هانسون تكنولوجيا الاتصالات المحدودة بيت / منتجات / سلسلة مختومة بإحكام / عازل زجاجي للترددات اللاسلكية

عازل زجاجي للترددات اللاسلكية

وصف:

تستخدم العوازل الزجاجية هيكل تلبيد الزجاج مع أداء الختم الجيد. يمكن استخدامها مع موصلات الموجات المليمترية مثل SMA و2.92، ويمكن أيضًا استخدامها مباشرة بين لوحات PCB والقوالب والقوالب والمكونات. إنه يستخدم الزجاج (ثابت العزل الكهربائي حوالي 4.0) كمادة عازلة متوسطة، والموصلات الداخلية والخارجية مصنوعة من مادة سبائك Kovar. بعد التلبيد بدرجة حرارة عالية، يتم طلاء السطح بالنيكل مع الذهب. تتميز العوازل الزجاجية بمزايا الحجم الصغير والوزن الخفيف وضيق الهواء والموثوقية العالية. يتم استخدامها في الغالب في المناسبات التي تتطلب متطلبات الختم، أو متطلبات حجم المنتج ووزنه. إنها مناسبة للتركيب المكثف. يمكن توصيل الموصل الداخلي بعدة طرق، مثل التوصيل والتركيب على السطح واللحام وربط الأسلاك الذهبية.

استفسر

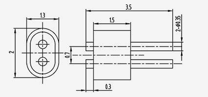
الهيكل الأساسي:
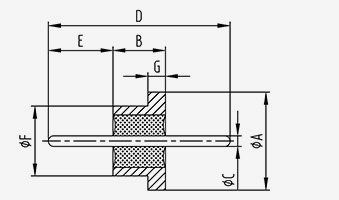
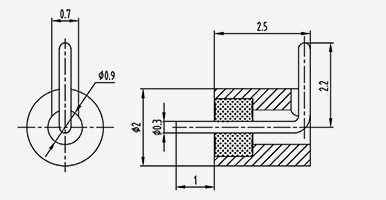
يتكون العازل الزجاجي عادة من ثلاثة أجزاء: الموصل الخارجي، الوسط الزجاجي، والموصل الداخلي، وهيكله الأساسي موضح في الشكل التالي.

المواصفات الفنية واختبارات الموثوقية:

الخصائص الكهربائية
مقاومة مميزة 50Ω أو غيرها نطاق التردد تيار مستمر ~ 65 جيجا هرتز
عازلة تحمل الجهد ≥500 فولت مقاومة العزل ≥5000 م أوم
مقاومة الاتصال الموصل الداخلي ≥3m Ω الجهد VSWR (50Ω) ≥ 1.05 0.008f (و: غيغاهرتز)
الموصل الخارجي ≥2m Ω فقدان إدخال التردد اللاسلكي (50 أوم) .050.05 √ و (و: غيغاهرتز)
الخصائص المادية والميكانيكية والبيئية
موصل خارجي سبائك قابلة للتفويض معدل تسرب الهواء 1.01*10 -9 بام 3
موصل داخلي سبائك قابلة للتحلل درجة حرارة التشغيل -65 درجه مئوية ~ 165 درجه مئوية
وسط العزل زجاج

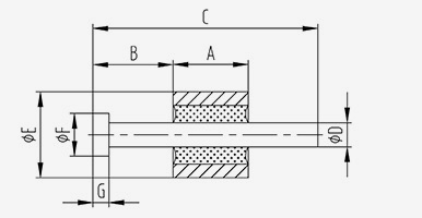
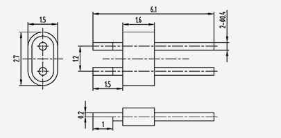
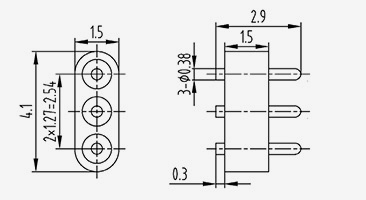
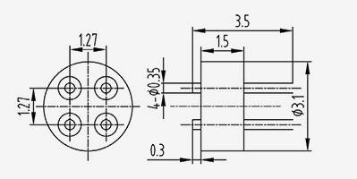
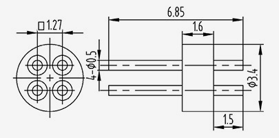
أبعاد التثبيت الموصى بها للعوازل الزجاجية
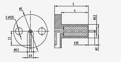
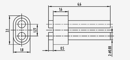
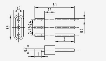
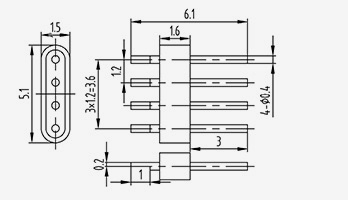
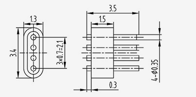
أبعاد فتح التثبيت الموصى بها للعوازل الزجاجية أحادية النواة مبينة أدناه:

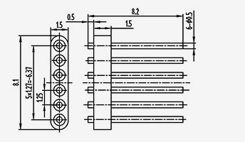
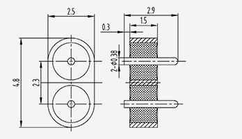
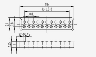
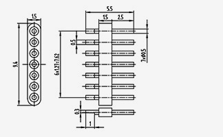
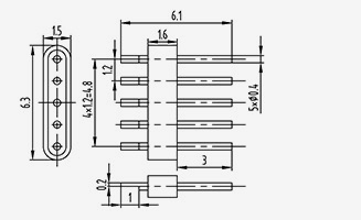
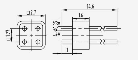
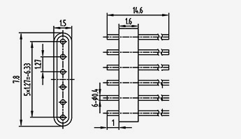
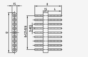
أبعاد فتح التركيب الموصى بها للعوازل الزجاجية متعددة النواة مبينة أدناه:

اختبار الأداء الكهربائي للعازل الزجاجي:
عوازل زجاجية ذات مقاومة مميزة 50 أوم مع موصلات موجة SMA القياسية، 2.92، 2.4، إلخ. متزاوجة عند كلا الطرفين لاختبار الأداء الكهربائي.

الترددات اللاسلكية SERIES
  • رأس دائري أحادي النواة ذو مقاومة مميزة 50 أوم
    رأس دائري أحادي النواة ذو مقاومة مميزة 50 أوم
    نموذج الحجم (مم)
    أ ب ج د ه
    HS1710-0.23(2.8-0.3) 1.73 1 0.23 2.8 0.3
    HS1710-0.23(6.2-2.7) 1.73 1 0.23 6.2 2.7
    HS1710A 1.73 1 0.23 3 1
    HS1714-0.23(2-0.3) 1.73 1.4 0.23 2 0.3
    V1714-0.23 (2.69-0.5) 1.73 1.4 0.23 2.7 0.5
    V1714-0.23 (3.9-1.7) 1.73 1.4 0.23 3.9 1.7
    V1714-0.23 (4.5-1.7) 1.73 1.4 0.23 4.5 1.7
    HS1714-0.23(3-1.1) 1.73 1.4 0.23 3 1.1
    HSI714E 1.73 1.4 0.23 2.9 1
    HS1714F 1.73 1.4 0.23 2.79 0.9
    HS1715-0.23(3.2-0.8) 1.73 1.5 0.23 3.2 0.8
    HS1716A 1.73 1.65 0.23 3.4 1
    V1719-0.23(5.0-1.7) 1.73 1.9 0.23 5 1.7
    V1720-0.23(3.3-0.5) 1.73 2 0.23 3.3 0.5
    HS1720-0.23(3.7-1.2) 1.73 2 0.23 3.7 1.2
    V1720-0.23(4.0-1.0) 1.73 2 0.23 4 1
    HS1720-0.23(6-2) 1.73 2 0.23 6 2
    V1724-0.23 (3.7-0.5) 1.73 2.4 0.23 3.7 0.5
    HS1724-0.23(4.5-1.7) 1.73 2.4 0.23 4.5 1.7
  • رأس دائري أحادي النواة ذو مقاومة مميزة 50 أوم
    رأس دائري أحادي النواة ذو مقاومة مميزة 50 أوم
    نموذج الحجم (مم)
    أ ب ج د ه
    V1727-0.23(4.0-0.5) 1.73 2.7 0.23 4 0.5
    HS1727A 1.73 2.7 0.23 4.7 1
    HS1728-0.23(4-0.5) 1.73 2.8 0.23 4 0.5
    HS1730-0.23(4.3-0.5) 1.73 3 0.23 4.3 0.5
    V1730-0.23(5.0-1.0) 1.73 3 0.23 5 1
    HS1734-0.23-01 1.73 3.4 0.23 5.2 1
    HS1744-0.23-01 1.73 4.4 0.23 6.2 1
    HS1749-0.23(8.9-2.0) 1.73 4.9 0.23 8.9 2
    HS1751A 1.73 5.1 0.23 5.9 0.4
    HS1756-0.23(6.6-0.5) 1.73 5.6 0.23 6.6 0.5
    HS1914-0.3(2.55-0.35) 1.9 1.4 0.3 2.55 0.35
    HS1914-0.3(3.2-1.1) 1.9 1.4 0.3 3.2 1.1
    HS1914C 1.9 1.4 0.3 3.6 0.7
    HS1914-0.3(4.4-2) 1.9 1.4 0.3 4.4 2
    HS1914-0.3(3.2-1.1) 1.9 1.4 0.3 3.2 1.1
    HS1914-0.3(3.8-1.2) 1.9 1.4 0.3 3.8 1.2
    HS1914-0.3(4.4-2) 1.9 1.4 0.3 4.4 2
    HS1916-0.3(4.7-0.8) 1.9 1.6 0.3 4.7 0.8
    HS1916B 1.9 1.6 0.3 4.9 0.8
  • رأس دائري أحادي النواة ذو مقاومة مميزة 50 أوم
    رأس دائري أحادي النواة ذو مقاومة مميزة 50 أوم
    نموذج الحجم (مم)
    أ ب ج د ه
    HS1917-0.3(3.45-1) 1.9 1.75 0.3 3.45 1
    HS1918-0.3(5.8-2) 1.9 1.8 0.3 5.8 2
    HS1918-0.3(7.8-4.2) 1.9 1.8 0.3 7.8 4.2
    HS1918-0.3(3.5-1) 1.95 1.8 0.3 3.5 1
    HS1934-0.3(4.6-0.4) 1.9 3.4 0.3 4.6 0.4
    HS2006-0.3(3.2-2) 2 0.6 0.3 3.2 2
    HS2008-0.3(1.32-0.26) 2 0.8 0.3 1.32 0.26
    HS2008F 2 0.8 0.3 1.7 0.45
    HS2008-0.3(1.8-0.3) 2 0.8 0.3 1.8 0.3
    HS2008-0.3(2.8-1.0) 2 0.8 0.3 2.8 1
    HS2008-0.3(3.0-1.5) 2 0.8 0.3 3 1.5
    HS2008-0.3(3.4-0.8) 2 0.8 0.3 3.4 0.8
    HS2008-0.3(3.6-1.2) 2 0.8 0.3 3.6 1.2
    HS2008-0.3(5.4-2.6) 2 0.8 0.3 5.4 2.6
    HS2008-0.3(6-2.6) 2 0.8 0.3 6 2.6
    HS2010-0.3(2.1-0.7) 2 1 0.3 2.1 0.7
    HS2010-0.3(2.5-1) 2 1 0.3 2.5 1
    HS2010-0.3(3.2-1.2) 2 1 0.3 3.2 1.2
    HS2011-0.3(2.1-0.5) 2 1.1 0.3 2.1 0.5
  • رأس دائري أحادي النواة ذو مقاومة مميزة 50 أوم
    رأس دائري أحادي النواة ذو مقاومة مميزة 50 أوم
    نموذج الحجم (مم)
    أ ب ج د ه
    HS2012A 2 1.2 0.3 3.5 1.2
    HS2012-0.3(6-1.8) 2 1.2 0.3 6 1.8
    HS2012-0.3(6.7-1.5) 2 1.2 0.3 6.7 1.5
    HS2013-0.3(2.3-0.5) 2 1.3 0.3 2.3 0.5
    HS2014-0.3(1.92-0.26) 2 1.4 0.3 1.92 0.26
    HS2014-0.3(2.12-0.36) 2 1.4 0.3 2.12 0.36
    HS2014-0.3(2.4-0.5) 2 1.4 0.3 2.4 0.5
    HS2014D 2 1.4 0.3 3.1 0.45
    HS2014-0.3(4.4-1.5) 2 1.4 0.3 4.4 1.5
    HS2014-0.3(4.4-1) 2 1.4 0.3 4.4 1
    HS2014-0.3(4.55-1.5) 2 1.4 0.3 4.55 1.5
    HS2014-0.3(4.65-1.5) 2 1.4 0.3 4.65 1.5
    HS2014-0.3(5.5-1.9) 2 1.4 0.3 5.5 1.9
    HS2014-0.3(5.7-1.8) 2 1.4 0.3 5.7 1.8
    HS2014-0.3(8.0-4.6) 2 1.4 0.3 8 4.6
    HS2014-0.3(8-1.9) 2 1.4 0.3 8 1.9
    HS2015-0.3(3.25-0.75) 2 1.5 0.3 3.25 0.75
    HS2016-0.3(2.7-0.7) 2 1.6 0.3 2.7 0.7
    HS2016-0.3(2.8-0.5) 2 1.6 0.3 2.8 0.5
  • رأس دائري أحادي النواة ذو مقاومة مميزة 50 أوم
    رأس دائري أحادي النواة ذو مقاومة مميزة 50 أوم
    نموذج الحجم (مم)
    أ ب ج د ه
    HS2016-0.3(3.5-1.2) 2 1.6 0.3 3.5 1.2
    HS2016-0.3(3.6-1) 2 1.6 0.3 3.6 1
    HS2016-0.3(3.9-0.4) 2 1.6 0.3 3.9 0.4
    HS2016E 2 1.6 0.3 3.9 0.6
    HS2016-0.3(4.1-1) 2 1.6 0.3 4.1 1
    HS2016-0.3(4.2-0.8) 2 1.6 0.3 4.2 0.8
    HS2016-0.3(4.6-1.2) 2 1.6 0.3 4.6 1.2
    HS2016-0.3(4.6-1.8) 2 1.6 0.3 4.6 1.8
    كا2016-0.3(5-2.9) 2 1.6 0.3 5 2.9
    HS2016-0.3(5.2-1.8) 2 1.6 0.3 5.2 1.8
    HS2016-0.3(8.0-4.6) 2 1.6 0.3 8 4.6
    HS2016-0.3(8-1.8) 2 1.6 0.3 8 1.8
    HS2016-0.3(12-2.4) 2 1.6 0.3 12 2.4
    HS2016-0.3(20.4-4.6) 2 1.6 0.3 20.4 4.6
    HS2017-0.3(3.3-0.8) 2 1.7 0.3 3.3 0.8
    HS2017-0.3(8.5-2.0) 2 1.7 0.3 8.5 2
    HS2018-0.3(3.5-1) 2 1.8 0.3 3.5 1
    HS2019-0.3-01 2 1.9 0.3
    HS2020-0.3(3.4-0.4) 2 2 0.3 3.4 0.4
  • رأس دائري أحادي النواة ذو مقاومة مميزة 50 أوم
    رأس دائري أحادي النواة ذو مقاومة مميزة 50 أوم
    نموذج الحجم (مم)
    أ ب ج د ه
    HS2020-0.3(3.8-0.8) 2 2 0.3 3.8 0.8
    HS2020-0.3(5.6-2.8) 2 2 0.3 5.6 2.8
    HS2020-0.3(5.7-2.9) 2 2 0.3 5.7 2.9
    HS2020-0.3(6-2) 2 2 0.3 6 2
    HS2020-0.3(12-5) 2 2 0.3 12 5
    HS2022F 2 2.2 0.3 3.1 0.45
    HS2022-0.3(3.2-0.7) 2 2.2 0.3 3.2 0.7
    HS2023-0.3(3.35-0.7) 2 2.3 0.3 3.35 0.7
    HS2023-0.3(3.7-0.7) 2 2.3 0.3 3.7 0.7
    HS2025-0.3(4.8-0.9) 2 2.5 0.3 4.8 0.9
    HS2025-0.3(6-1.5) 2 2.5 0.3 6 1.5
    HS2025-0.38(7.4-1.4) 2 2.5 0.38 7.4 1.4
    HS2026.5-0.3-01 2 2.6 5 0.3 0.1
    HS2028-0.3(4.9-0.5) 2 2.8 0.3 4.9 0.5
    HS2029-0.3(4.1-0.8) 2 2.9 0.3 4.1 0.8
    HS2029-0.3(4.9-0.5) 2 2.9 0.3 4.9 0.5
    HS2030-0.3(5.2-1.5) 2 3 0.3 5.2 1.5
    HS2030-0.3(5.8-1) 2 3 0.3 5.8 1
    HS2030-0.3(8-2) 2 3 0.3 8 2
  • رأس دائري أحادي النواة ذو مقاومة مميزة 50 أوم
    رأس دائري أحادي النواة ذو مقاومة مميزة 50 أوم
    نموذج الحجم (مم)
    أ ب ج د ه
    HS2030-0.3(9-1.5) 2 3 0.3 9 1.5
    HS2034-0.3(4.4-0.7) 2 3.4 0.3 4.4 0.7
    HS2035-0.3(6.6-1.8) 2 3.5 0.3 6.6 1.8
    HS2035-0.3(6.65-1.3) 2 3.5 0.3 6.65 1.3
    HS2035-0.3(7.1-1.3) 2 3.5 0.3 7.1 1.3
    HS2035-0.3(9.5-3) 2 3.5 0.3 9.5 3
    HS2036-0.3(5.7-0.7) 2 3.6 0.3 5.7 0.7
    HS2040A 2 4 0.3 5.1 0.8
    HS2045-0.7(11.5-2) 2 4.5 0.7 11.5 2
    HS2050-0.3(6.4-0.7) 2 5 0.3 6.4 0.7
    HS2507-0.38(2.2-0.3) 2.5 0.7 0.38 2.2 0.3
    HS2508-0.38(1.8-0.3) 2.5 0.8 0.38 1.8 0.3
    HS2508-0.38(2-0.5) 2.5 0.8 0.38 2 0.5
    HS2510-0.38(3.6-1.3 ) 2.5 1 0.38 3.6 1.3
    HS2510-0.38(7-3) 2.5 1 0.38 7 3
    HS2511-0.38(2..4-0.5) 2.5 1.1 0.38 2.4 0.5
    HS2511-0.38(3.7-0.6) 2.5 1.1 0.38 3.7 0.6
    HS2512-0.38(3.1-0.8) 2.5 1.1 0.38 3.7 0.6
    HS4414-0.3(3.2-1.1) 4.4 1.4 0.3 3.2 1.1
  • رأس دائري أحادي النواة ذو مقاومة مميزة 50 أوم
    رأس دائري أحادي النواة ذو مقاومة مميزة 50 أوم
    نموذج الحجم (مم)
    أ ب ج د ه
    HS2516-0.3(7.5-2.14) 2.5 1.6 0.3 7.5 2.14
    HS2516-0.3(8-1.8) 2.5 1.6 0.3 8 1.8
    HS2516-0.38(3.5-0.7) 2.5 1.6 0.38 3.5 0.7
    HS2516-0.38(4.1-1.25) 2.5 1.6 0.38 4.1 1.25
    HS2516-0.38(4.3-1.2) 2.5 1.6 0.38 4.3 1.2
    Ka2511-0.38(2.7-1.0) 2.5 1.1 0.38 2.7 1
    Ka2516-0.38(2.9-0.3) 2.5 1.6 0.38 2.9 0.3
    K2516-0.38(4-1.5) 2.5 1.6 0.38 4 1.5
    HS2516-0.38(4.5-1.2) 2.5 1.6 0.38 4.5 1.2
    HS2516-0.38(4.6-1) 2.5 1.6 0.38 4.6 1
    HS2516E 2.5 1.6 0.38 4.6 1.5
    HS2516G 2.5 1.6 0.38 4.6 1.5
    HS2516-0.38(4.8-1.2) 2.5 1.6 0.38 4.8 1.2
    HS2516-0.38(4.9-1.5) 2.5 1.6 0.38 4.9 1.5
    HS2516-0.38(5.1-1.6) 2.5 1.6 0.38 5.1 1.6
    HS2516-0.38(5.3-1.2) 2.5 1.6 0.38 5.3 1.2
    Ka2516-0.38(5.6-3.0) 2.5 1.6 0.38 5.6 3
    HS2516-0.38(6.1-1.3) 2.5 1.6 0.38 6.1 1.3
    HS2516-0.38(7.1-1.4) 2.5 1.6 0.38 7.1 1.4
  • رأس دائري أحادي النواة ذو مقاومة مميزة 50 أوم
    رأس دائري أحادي النواة ذو مقاومة مميزة 50 أوم
    نموذج الحجم (مم)
    أ ب ج د ه
    HS2516-0.38(7.41-1.27) 2.5 1.6 0.38 7.41 1.27
    HS2516F 2.5 1.6 0.38 7.45 4.55
    HS2516-0.38-01 2.5 1.6 0.38 7.5 1.3
    HS2516-0.38(8-1.8) 2.5 1.6 0.38 8 1.8
    RF2516-0.38(8-4.6) 2.5 1.6 0.38 8 4.6
    HS2516-0.38(8-5) 2.5 1.6 0.38 8 5
    K2516-0.38(8-1.5) 2.5 1.6 0.38 8 1.5
    K2516-0.38(8-5.9) 2.5 1.6 0.38 8 5.9
    HS2516-0.38(11.6-5) 2.5 1.6 0.38 11.6 5
    HS2516-0.38(12-2.0) 2.5 1.6 0.38 12 2
    HS2520-0.38(6-2) 2.5 2 0.38 6 2
    HS2520-0.38(7.4-1.4) 2.5 2 0.38 7.4 1.4
    HS2520-0.38(7.8-1.4) 2.5 2 0.38 7.8 1.4
    HS2520-0.38(9.0-2.0) 2.5 2 0.38 9 2
    HS2520-0.38(12-5) 2.5 2 0.38 12 5
    HS2520-0.38(15-2) 2.5 2 0.38 15 2
    HS2524-0.38(5.7-1.1) 2.5 2.4 0.38 5.7 1.1
    HS2526-0.38(6.6-2) 2.5 2.6 0.38 6.6 2
    HS2530-0.38(3.6-0.3) 2.5 3 0.38 3.6 0.3
  • رأس دائري أحادي النواة ذو مقاومة مميزة 50 أوم
    رأس دائري أحادي النواة ذو مقاومة مميزة 50 أوم
    نموذج الحجم (مم)
    أ ب ج د ه
    كا2530-0.38(4.6-1.0) 2.5 3 0.38 4.6 1
    HS2530A 2.5 3 0.38 5 1
    HS2530-0.38(7.5-1.5) 2.5 3 0.38 7.5 1.5
    HS2530-0.38(8-0.4) 2.5 3 0.38 8 0.4
    HS2530-0.38(8-2) 2.5 3 0.38 8 2
    HS2530-0.38(9-3) 2.5 3 0.38 9 3
    HS2530-0.38(12-2.2) 2.5 3 0.38 12 2.2
    HS2530-0.38(13.9-8.2) 2.5 3 0.38 13.9 8.2
    HS2530-0.38(20-4) 2.5 3 0.38 20 4
    HS2533-0.38(6.5-1.2) 2.5 3.3 0.38 6.5 1.2
    HS2535-0.38(7.5-2) 2.5 3.5 0.38 7.5 2
    HS2537-0.38(7.7-2) 2.5 3.7 0.38 7.7 2
    HS2540-0.38(11-1.8) 2.5 4 0.38 11 1.8
    HS2545-0.38(8-1.3) 2.5 4.5 0.38 8 1.3
    HS2550-0.38(6.9-1.5) 2.5 5 0.38 6.9 1.5
    HS2550-0.38(11-2) 2.5 5 0.38 11 2
    HS2558-0.38(14.8-6) 2.5 5.8 0.38 14.8 6
    HS2575-0.38(12-1.3) 2.5 7.5 0.38 12 1.3
    HS2810-0.45(3.3-0.35) 2.8 1 0.45 3.3 0.35
  • رأس دائري أحادي النواة ذو مقاومة مميزة 50 أوم
    رأس دائري أحادي النواة ذو مقاومة مميزة 50 أوم
    نموذج الحجم (مم)
    أ ب ج د ه
    HS2815-0.45(5.75-1.25) 2.8 1.5 0.45 5.75 1.25
    HS2816-0.45(4.6-1.5) 2.8 1.6 0.45 4.6 1.5
    HS2816-0.45(4.9-1.8)-R 2.8 1.6 0.45 4.9 1.8
    HS2816-0.45(5.1-1.5) 2.8 1.6 0.45 5.1 1.5
    HS2816-0.45(5.2-1.1) 2.8 1.6 0.45 5.2 1.1
    HS2816-0.45(5.4-2) 2.8 1.6 0.45 5.4 2
    HS2816-0.45(5.6-2) 2.8 1.6 0.45 5.6 2
    HS2816-0.45(6.2-1.8) 2.8 1.6 0.45 6.2 1.8
    HS2816-0.45(8.0-4.6) 2.8 1.6 0.45 8 4.6
    HS2816-0.45(8-1.8) 2.8 1.6 0.45 8 1.8
    HS2816-0.45(11.6-5) 2.8 1.6 0.45 11.6 5
    HS2816-0.45(12-3.0) 2.8 1.6 0.45 12 3
    HS2831-0.45(5.2-1.8) 2.8 3.1 0.45 5.2 1.8
    HS2843-0.45(8.3-2) 2.8 4.3 0.45 8.3 2
    HS3015-0.5(4.3-0.8) 3 1.5 0.5 4.3 0.8
    HS3016-0.5(3.4-0.9) 3 1.6 0.5 3.4 0.9
    HS3016-0.5(4.6-1) 3 1.6 0.5 4.6 1
    HS3016-0.5(4.6-1.5) 3 1.6 0.5 4.6 1.5
    HS3016B 3 1.6 0.38 4.9 1.8
  • رأس دائري أحادي النواة ذو مقاومة مميزة 50 أوم
    رأس دائري أحادي النواة ذو مقاومة مميزة 50 أوم
    نموذج الحجم (مم)
    أ ب ج د ه
    HS3016-0.5(5.6-2) 3 1.6 0.5 5.6 2
    HS3016C 3 1.6 0.5 6.6 2
    HS3016-0.5(6.6-2.5) 3 1.6 0.5 6.6 2.5
    HS3016-0.5(7.5-2) 3 1.6 0.5 7.5 2
    HS3016-0.5(7.5-3.9) 3 1.6 0.5 7.5 3.9
    HS3016-0.5(7.8-2.0) 3 1.6 0.5 7.8 2
    HS3016-0.5(9.65-3.05) 3 1.6 0.5 9.65 3.05
    HS3016-0.5(12-5.0) 3 1.6 0.5 12 5
    HS3016-0.5(14.3-1.5) 3 1.6 0.5 14.3 1.5
    HS3020-0.5(5-1.8) 3 2 0.5 5 1.8
    HS3020-0.5(6.0-1.5) 3 2 0.5 6 1.5
    HS3020-0.5(6.5-2.2) 3 2 0.5 6.5 2.2
    HS3020-0.5(6.5-2.3) 3 2 0.5 6.5 2.3
    HS3020-0.5(6.8-1.8) 3 2 0.5 6.8 1.8
    HS3020-0.5(7.5-2.2) 3 2 0.5 7.5 2.2
    HS3020-0.5(8-2) 3 2 0.5 8 2
    HS3020-0.5(8.5-2.2) 3 2 0.5 8.5 2.2
    HS3020-0.5(8.5-4.3) 3 2 0.5 8.5 4.3
    HS3020-0.5(10-4) 3 2 0.5 10 4
  • رأس دائري أحادي النواة ذو مقاومة مميزة 50 أوم
    رأس دائري أحادي النواة ذو مقاومة مميزة 50 أوم
    نموذج الحجم (مم)
    أ ب ج د ه
    HS3020-0.5(10-1.5) 3 2 0.5 10 1.5
    HS3020-0.5(12-4.0) 3 2 0.5 12 4
    HS3020-0.5(12-5.0) 3 2 0.5 12 5
    HS3020-0.5(12-6) 3 2 0.5 12 6
    HS3020-0.5(15-2) 3 2 0.5 15 2
    HS3025-0.5(5.4-1.2) 3 2.5 0.5 5.4 1.2
    HS3030A 3 3 0.38 10 1.5
    HS3030-0.5(6.5-2) 3 3 0.5 6.5 2
    HS3030-0.5(6.6-1.8) 3 3 0.5 6.6 1.8
    HS3030-0.5(7.5-2)-R 3 3 0.5 7.5 2
    HS3030-0.5(8.8-1.8) 3 3 0.5 8.8 1.8
    HS3030-0.5(10-2) 3 3 0.5 10 2
    HS3030-0.5(12-3) 3 3 0.5 12 3
    HS3030-0.5(12-2) 3 3 0.5 12 2
    HS3030-0.5(14-4.0) 3 3 0.5 14 4
    HS3035-0.5(6-1) 3 3.5 0.5 6 1
    HS3035-0.5(11.5-4) 3 3.5 0.5 11.5 4
    HS3040A 3 4 0.5 10.4 4
    HS3042-0.5(9.0-2.2) 3 4.2 0.5 9 2.2
  • رأس دائري أحادي النواة ذو مقاومة مميزة 50 أوم
    رأس دائري أحادي النواة ذو مقاومة مميزة 50 أوم
    نموذج الحجم (مم)
    أ ب ج د ه
    HS3045-0.5(8.5-2) 3 4.5 0.5 8.5 2
    HS3047-0.5(9.4-2.2) 3 4.7 0.5 9.4 2.2
    HS3047-0.5(12-5.1) 3 4.7 0.5 12 5.1
    HS3050-0.5(9-2) 3 5 0.5 9 2
    HS3052A 3 5.2 0.5 10.3 4
    HS3057-0.5(12.5-3) 3 5.7 0.5 12.5 3
    HS3620-0.5(9-2.5) 3.6 2 0.5 9 2.5
    HS3616-0.6(12.2-1.6) 3.6 1.6 0.6 12.2 1.6
    HS3625-0.6(6.5-2) 3.6 2.5 0.6 6.5 2
    HS2540-0.8(27-5) 2.5 4 0.8 27 5
    HS4030A 4 3 1 10.6 4.6
    HS5010-0.8(5.9-2.45) 5 1 0.8 5.9 2.45
    HS5015-0.8(7.3-4.9) 5 1.5 0.8 7.3 4.9
    HS5016B 5 1.6 0.8 5.6 2
    HS5016-0.8(8.6-3.0) 5 1.6 0.8 8.6 3
    HS5030-0.8(17.2-2) 5 3 0.8 17.2 2
    HS5040-0.8(12-3) 5 4 0.8 12 3
    HS5060-0.8(11.5-2.5) 5 6 0.8 11.5 2.5
    HS5065-0.8(13.7-3) 5 6.5 0.8 13.7 3
  • رأس دائري أحادي النواة ذو مقاومة مميزة 50 أوم
    رأس دائري أحادي النواة ذو مقاومة مميزة 50 أوم
    نموذج الحجم (مم)
    أ ب ج د ه
    HS5065-0.8(15.5-3) 5 6.5 0.8 15.5 3
    HS5516-0.9(8.3-2.8) 5.5 1.6 0.9 8.3 2.8
    HS5516-0.9(8.5-2.8) 5.5 1.6 0.9 8.5 2.8
    HS5516-0.9(8.7-2.8) 5.5 1.6 0.9 8.7 2.8
    HS5516-0.9(8.9-2.8) 5.5 1.6 0.9 8.9 2.8
    HS5516-0.9(9.1-2.8) 5.5 1.6 0.9 9.1 2.8
    HS5516-0.9(11.9-2.8) 5.5 1.6 0.9 11.9 2.8
    HS5516-0.9(12.6-2) 5.5 1.6 0.9 12.6 2
    HS5516-0.9(13.8-2.8) 5.5 1.6 0.9 13.8 2.8
    HS5525-0.9(9.7-1.6) 5.5 2.5 0.9 9.7 1.6
    HS5525-0.9(16-5) 5.5 2.5 0.9 16 5
    HS5530-0.9(8.8-2.3) 5.5 3 0.9 8.8 2.3
    HS5530-0.9(9.6-2.3) 5.5 3 0.9 9.6 2.3
    HS5530-0.9(13.8-2.8) 5.5 3 0.9 13.8 2.8
    HS5530A 5.5 3 1.35 13.5 7.5
    HS5530B 5.5 3 1.35 13.8 7.8
    HS6016-1.0(8.5-1.5) 6 1.6 1 8.5 1.5
    HS6840-0.9(7-1.5) 6.8 4 0.9 7 1.5
    HS8330-1.3(13-5) 8.3 3 1.3 13 5
  • مقاومة مميزة 50Ω - رأس مسطح أحادي النواة
    مقاومة مميزة 50Ω - رأس مسطح أحادي النواة
    نموذج الحجم (مم)
    أ ب ج د ه
    كا2008-0.3(1.4-0.3) 2 0.8 0.3 1.4 0.3
    HS2008-0.3(1.65-0.35) 2 0.8 0.3 1.65 0.35
    كا2008-0.3(1.8-0.3) 2 0.8 0.3 1.8 0.3
    HS2010-0.3(1.9-0.35) 2 1 0.3 1.9 0.35
    HS2010-0.3(2-0.5) 2 1 0.3 2 0.5
    HS2010-0.3(2.5-0.5) 2 1 0.3 2.5 0.5
    HS2013-0.3(2.4-0.4) 2 1.3 0.3 2.4 0.4
    HS2014-0.3(2.6-0.4) 2 1.4 0.3 2.6 0.4
    HS2014E 2 1.4 0.3 2.3 0.45
    HS2014F 2 1.4 0.3 2.35 0.5
    HS2016-0.3-01 2 1.6 0.3 3.1 1
    HS2016-0.3(3.3-0.7) 2 1.6 0.3 3.3 0.7
    HS2016-0.3-02 2 1.6 0.3 3.3 1
    HS2016-0.3(5.6-2) 2 1.6 0.3 5.6 2
    HS2019-0.3(3-0.35) 2 1.9 0.3 3 0.35
    HS2020-0.3-02 2 2 0.3 3.5 0.5
    HS2020-0.3(3.6-0.8) 2 2 0.3 3.6 0.8
    HS2030-0.3(4.2-0.7) 2 3 0.3 4.2 0.7
  • رأس دائري أحادي النواة ذو مقاومة مميزة 50 أوم
    رأس دائري أحادي النواة ذو مقاومة مميزة 50 أوم
    نموذج الحجم (مم)
    أ ب ج د ه
    HS8740-1.38(8.4-3.2) 8.7 4 1.38 8.4 3.2
    HS9430-1.5(9-3) 9.4 3 1.5 9 3
    HS9430-1.5(11-4) 9.4 3 1.5 11 4
    HS9640-1.5(9.2-3.2) 9.6 4 1.5 9.2 3.2
    HS10050-1.7(15-5) 10 5 1.7 15 5
    HS130100-3(18-4) 13 10 3 18 4
  • مقاومة مميزة 50 أوم - طرف دائري أحادي النواة
    مقاومة مميزة 50 أوم - طرف دائري أحادي النواة
    نموذج الحجم (مم)
    أ ب ج د ه
    HS2330-0.23(5.3-0.3) 2.3 3 0.23 5.3 0.3
    HS2815-0.3(5.2-1.2) 2.8 1.5 0.3 5.2 1.2
    HS2815-0.3(7.2-1.2) 2.8 1.5 0.3 7.2 1.2
    HS2635-0.3(7.1-1.3) 2.6 3.5 0.3 7.1 1.3
    HS3822-0.5(14.4-3.7) 3.8 2.2 0.5 14.4 3.7
    HS3525-0.5(11.5-6) 3.5 2.5 0.5 11.5 6
  • مقاومة مميزة 50Ω - رأس مسطح أحادي النواة
    مقاومة مميزة 50Ω - رأس مسطح أحادي النواة
    نموذج الحجم (مم)
    أ ب ج د ه
    HS2516-0.38(5.1-2) 2.5 1.6 0.38 5.1 2
    HS2516-0.38(7.37-4.5) 2.5 1.6 0.38 7.37 4.5
    HS2517-0.38-01 2.5 1.7 0.38 2.7 0.65
    HS2520-0.38(3.2-0.5) 2.5 2 0.38 3.2 0.5
    HS2525-0.38-01 2.5 2.5 0.38 3.65 0.65
    HS2530-0.38(7.5-2.5) 2.5 3 0.38 7.5 2.5
    HS2816-0.45(4.9-1.8) 2.8 1.6 0.45 4.9 1.8
    HS2816-0.45-01 2.8 1.6 0.45 5 3
    HS2816-0.45(6-1.5) 2.8 1.6 0.45 6 1.5
    HS3030-0.5(7.5-2) 3 3 0.5 7.5 2
  • مقاومة مميزة 50Ω - طرف مستدير مسطح أحادي النواة
    مقاومة مميزة 50Ω - طرف مستدير مسطح أحادي النواة
    نموذج الحجم (مم)
    أ ب ج د ه
    HS2006-0.3(3.1-1.8) 2 0.6 0.3 3.1 1.8
    HS2010-0.3(3.5-2) 2 1 0.3 3.5 2
    HS2020-0.3-01 2 2 0.3 3.7 0.6
    HS2035-0.3(6.4-1.8) 2 3.5 0.3 6.4 1.8
    HS2816-0.45(11.7-7.6) 2.8 1.6 0.45 11.7 7.6
    HS3020-0.5(10-6.5) 3 2 0.5 10 6.5
    HS3216-0.5(7.1-4) 3.2 1.6 0.5 7.1 4
    HS6448-1.0(10.2-3.5) 6.4 4.8 1 10.2 3.5
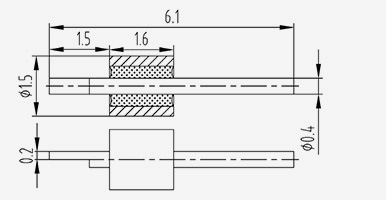
  • كا2032-0.3(4.5-1.3)
    كا2032-0.3(4.5-1.3)
    نموذج
    Ka2032-0.3(4.5-1.3)
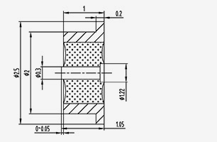
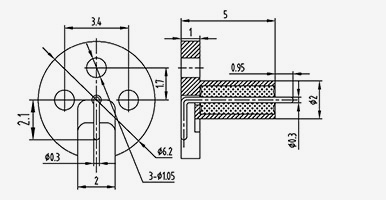
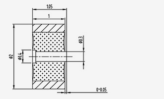
  • K2010-0.3(1.05-0.05)
    K2010-0.3(1.05-0.05)
    نموذج
    K2010-0.3(1.05-0.05)
  • HS2510-0.3-02
    HS2510-0.3-02
    نموذج
    HS2510-0.3-02
  • HS3520-0.5(3.4-0.3)
    HS3520-0.5(3.4-0.3)
    نموذج
    HS3520-0.5(3.4-0.3)
  • Ka3216-0.5(5.85-1.5)
    Ka3216-0.5(5.85-1.5)
    نموذج
    Ka3216-0.5(5.85-1.5)
  • K2515-0.38(2.9-0.3)
    K2515-0.38(2.9-0.3)
    نموذج
    K2515-0.38(2.9-0.3)
  • 2-K482515-0.38(2.9-0.3)
    2-K482515-0.38(2.9-0.3)
    نموذج
    2-K482515-0.38(2.9-0.3)
  • KW2016-0.3(0.7-1.6)
    KW2016-0.3(0.7-1.6)
    نموذج
    KW2016-0.3(0.7-1.6)
  • KW2016-0.3(1-2.2)
    KW2016-0.3(1-2.2)
    نموذج
    KW2016-0.3(1-2.2)
  • KW2025-0.3(1-2.2)
    KW2025-0.3(1-2.2)
    نموذج
    KW2025-0.3(1-2.2)
  • JPW2040-0.3-01
    JPW2040-0.3-01
    نموذج
    JPW2040-0.3-01
  • KW2018-0.3(0.95-2.1)
    KW2018-0.3(0.95-2.1)
    نموذج
    KW2018-0.3(0.95-2.1)
  • مقاومة مميزة غير 50 ​​أوم - طرف مستدير أحادي النواة
    مقاومة مميزة غير 50 ​​أوم - طرف مستدير أحادي النواة
    نموذج الحجم (مم)
    أ ب ج د ه
    دينار 1515-0.4(5-1.5) 1.5 1.5 0.4 5 5
    JD1615-0.4(8-1.9) 1.6 1.5 0.4 8 8
    JD1616-0.4(30-14.2) 1.6 1.6 0.4 30 30
    JD1614-0.45(11.4-5) 1.6 1.4 0.45 11.4 11.4
    JD1616-0.45(4.65-1.05) 1.6 1.6 0.45 4.65 4.65
    دينار 1616-0.45 (16-4) 1.6 1.6 0.45 16 16
    JD1616-0.45(30-14.2) 1.6 1.6 0.45 30 30
    د.إ2020-0.45(6.3-3) 2 2 0.45 6.3 6.3
    د.أ.2020-0.45(10-4) 2 2 0.45 10 10
    JD1614-0.5(9-4) 1.6 1.4 0.5 9 9
    JD1616-0.5(30-14.2) 1.6 1.6 0.5 30 30
    JD1619-0.5(5.1-2) 1.6 1.9 0.5 5.1 5.1
    HS2015-0.5(7.5-3) 2 1.5 0.5 7.5 7.5
    دينار 2016-0.5(12-5.8)-R 2 1.6 0.5 12 12
    HS2018-0.5(9.5-1.5) 2 1.8 0.5 9.5 9.5
    HS2018-0.5(11.5-7.2) 2 1.8 0.5 11.5 11.5
    HS2030-0.5(10-2) 2 3 0.5 10 10
    JD1919-0.6(7.9-1.9)-R 1.9 1.9 0.6 7.9 7.9
  • مقاومة مميزة غير 50 ​​أوم - طرف مستدير أحادي النواة
    مقاومة مميزة غير 50 ​​أوم - طرف مستدير أحادي النواة
    نموذج الحجم (مم)
    أ ب ج د ه
    HS2040-0.6(6-1) 2 4 0.6 6 1
    JD1818-0.7(10-6) 1.8 1.8 0.7 10 6
    JD1818-0.7(22.2-0.4) 1.8 1.8 0.7 22.2 0.4
    HS2016-0.7(4.6-1.5) 2 1.6 0.7 4.6 1.5
    HS2016-0.7(6.3-1.5) 2 1.6 0.7 6.3 1.5
    HS2016-0.7(7.1-1.5)-R 2 1.6 0.7 7.1 1.5
    HS2016-0.7(7.6-1.5) 2 1.6 0.7 7.6 1.5
    HS2016-0.7(9.6-4) 2 1.6 0.7 9.6 4
    K2016-0.7(11-4.6) 2 1.6 0.7 11 4.6
    HS2016-0.7(11.6-5) 2 1.6 0.7 11.6 5
    HS2016-0.7(17-15.1) 2 1.6 0.7 17 15.1
    HS2016-0.7(20-0.3) 2 1.6 0.7 20 0.3
    HS2017-0.7(9.7-3) 2 1.7 0.7 9.7 3
    HS2035-0.7(13-3) 2 3.5 0.7 13 3
    HS2020-0.75(12-4) 2 2 0.75 12 4
    HS2015-0.8(6.5-3) 2 1.5 0.8 6.5 3
    دينار 2015-0.8(10.5-3) 2 1.5 0.8 10.5 3
    JD2063-0.5(10.3-2) 2 6.3 0.5 10.3 2
  • مقاومة مميزة غير 50 ​​أوم - طرف مستدير أحادي النواة
    مقاومة مميزة غير 50 ​​أوم - طرف مستدير أحادي النواة
    نموذج الحجم (مم)
    أ ب ج د ه
    JD2518-0.8(12.8-5) 2.5 1.8 0.8 12.8 5
    دينار2520-0.8(14-4) 2.5 2 0.8 14 4
    دينار2540-0.8(10-4) 2.5 4 0.8 10 4
    JD3218-0.8(51.8-20) 3.2 1.8 0.8 51.8 20
    JD2530-0.9(6.6-1.8) 2.5 3 0.9 6.6 1.8
    2540 د.أ 2.5 4 0.8 10 4
    JD2816-1(6.6-2) 2.8 1.6 1 6.6 2
    K2816-1.0(16-10) 2.8 1.6 1 16 10
    دينار3218-1(27-15) 3.2 1.8 1 27 15
    JD3015-1.3(10.2-6.1) 3 1.5 1.3 10.2 6.1
    JD3015-1.3(10.5-3) 3 1.5 1.3 10.5 3
    JD3430-1.4(10.5-4.5) 3.4 3 1.4 10.5 4.5
    دينار12940-1.7(10-3) 12.9 4 1.7 10 3
    JD3916-2(6.6-2) 3.9 1.6 2 6.6 2
  • رأس مسطح أحادي النواة ذو مقاومة مميزة غير 50Ω
    رأس مسطح أحادي النواة ذو مقاومة مميزة غير 50Ω
    نموذج الحجم (مم)
    أ ب ج د ه
    دينار 1510-0.3-01 1.5 1 0.3 5.5 1.5
    دينار 1315-0.35-01 1.3 1.5 0.35 3.5 0.3
    دينار 1515-0.4 (4.5-0.5) 1.5 1.5 0.4 4.5 0.5
    دينار 1516-0.4-01 1.5 1.6 0.4 14.6 1
    دينار 1615-0.5(7-0.5) 1.6 1.5 0.5 7 0.5
    JD1619-0.5(8.7-3) 1.6 1.9 0.5 8.7 3
    JD1619-0.5(10.3-4.6) 1.6 1.9 0.5 10.3 4.6
    دينار 2016-0.5(4.5-0.6) 2 1.6 0.5 4.5 0.6
    دينار 2016-0.5(12-5.8) 2 1.6 0.5 12 5.8
    دينار2020-0.5-01 2 2 0.5 5.2 0.5
    JD2044-0.5(6.3-0.4) 2 4.4 0.5 6.3 0.4
    JD1919-0.6(7.9-1.9) 1.9 1.9 0.6 7.9 1.9
    RF2010-0.7(6.0-3.0) 2 1 0.7 6 3
    دينار 2015-0.8(6.5-3) 2 1.5 0.8 6.5 3
    RF2016-0.8(6.6-4.5) 2 1.6 0.8 6.6 4.5
    JD2816-1(10.3-4.9) 2.8 1.6 1 10.3 4.9
  • مقاومة مميزة غير 50 ​​أوم - طرف مستدير مسطح أحادي النواة
    مقاومة مميزة غير 50 ​​أوم - طرف مستدير مسطح أحادي النواة
    نموذج الحجم (مم)
    أ ب ج د ه
    RF1515-0.38(2.9-0.3) 1.5 1.5 0.38 2.9 0.3
    JD1614-0.5(17.9-0.5) 1.6 1.4 0.5 17.9 0.5
    دينار 1615-0.5(9-2.5) 1.6 1.5 0.5 9 2.5
    دينار 2016-0.7(8.1-4.5) 2 1.6 0.7 8.4 4.5
    JD2040-0.6(10-4.5) 2 4 0.6 10 4.5
    دينار 2016-0.7(9.1-2.5) 2 1.6 0.7 9.1 2.5
    JD2035-0.7(22-3) 2 3.5 0.7 22 3
  • مقاومة مميزة غير 50 ​​أوم - نوع رأس الظفر
    مقاومة مميزة غير 50 ​​أوم - نوع رأس الظفر
    نموذج الحجم (مم)
    أ ب ج د ه ف ز
    JD1616-0.45(4.2-1.5) 1.4 1.5 4.2 0.45 1.6 0.8 0.3
    JD1614-0.45(6.2-0.8) 1.4 0.8 6.2 0.45 1.6 0.8 0.3
    JD1614-0.45(6.9-1.5) 1.4 1.5 6.9 0.45 1.6 0.8 0.2
    دينار 1620-0.45(7-1) 2 1 7 0.45 1.6 1 0.3
    JD1630-0.5(7.5-0.5) 3 0.5 7.5 0.5 1.6 0.6 0.2
    JD1630-0.5(10.5-0.5) 3 0.5 10.5 0.5 1.6 0.6 0.2
    JD1816-0.5(20-0.5) 1.6 0.5 20 0.5 1.8 0.7 0.3
    2020 مليار دينار أردني 2 2 0.6 5.7 1
  • JP2016-0.7(7.1-1.5)
    JP2016-0.7(7.1-1.5)
    نموذج
    JP2016-0.7(7.1-1.5)

    نموذج الحجم (مم)
    أ ب ج د ه ف ز
    JD1614-0.45(6.9-1.5)-R 1.4 1.5 6.9 0.45 1.6 0.8 0.2
    JD1630-0.5(7.5-0.5)-R 3 0.5 7.5 0.5 1.6 0.6 0.2
  • مقاومة مميزة غير 50 ​​أوم - نوع رأس الظفر
    مقاومة مميزة غير 50 ​​أوم - نوع رأس الظفر
    نموذج الحجم (مم)
    أ ب ج د ه ف ز
    JD1614-0.45(6.9-1.5)-R 1.4 1.5 6.9 0.45 1.6 0.8 0.2
    JD1630-0.5(7.5-0.5)-R 3 0.5 7.5 0.5 1.6 0.6 0.2
  • دينار 1516-0.4-02
    دينار 1516-0.4-02
    نموذج
    دينار 1516-0.4-02
  • RF1816-0.8(6.6-4.5)-2
    RF1816-0.8(6.6-4.5)-2
    نموذج
    RF1816-0.8(6.6-4.5)-2
  • 2-RF281515-0.38(2.9-0.3)
    2-RF281515-0.38(2.9-0.3)
    نموذج
    2-RF281515-0.38(2.9-0.3)
  • 2-RF301516-0.5(5.85-1.5)
    2-RF301516-0.5(5.85-1.5)
    نموذج
    2-RF301516-0.5(5.85-1.5)
  • دينار301520-0.5-01
    دينار301520-0.5-01
    نموذج
    JD301520-0.5-01
  • دينار301515-0.5-01
    دينار301515-0.5-01
    نموذج
    JD301515-0.5-01
  • JD201315-0.35-01
    JD201315-0.35-01
    نموذج
    JD301515-0.5-01
  • JD271516-0.4-02
    JD271516-0.4-02
    نموذج
    JD271516-0.4-02
  • دينار 271516-0.4-01
    دينار 271516-0.4-01
    نموذج
    JD271516-0.4-01
  • دينار 2615-0.35-01
    دينار 2615-0.35-01
    نموذج
    د2615-0.35-01
  • 3-RF411515-0.38(2.9-0.3)
    3-RF411515-0.38(2.9-0.3)
    نموذج
    3-RF411515-0.38(2.9-0.3)
  • 3-RF421516-0.5(5.85-1.5)
    3-RF421516-0.5(5.85-1.5)
    نموذج
    3-RF421516-0.5(5.85-1.5)
  • دينار 261516-0.3-01
    دينار 261516-0.3-01
    نموذج
    JD261516-0.3-01
  • JD391516-0.4-01
    JD391516-0.4-01
    نموذج
    JD391516-0.4-01
  • دينار 2815-0.35-01
    دينار 2815-0.35-01
    نموذج
    JD2815-0.35-01
  • RF3416-0.8(6.6-4.5)-4
    RF3416-0.8(6.6-4.5)-4
    نموذج
    RF3416-0.8(6.6-4.5)-4
  • 4-RF3416-0.5(5.85-1.5)
    4-RF3416-0.5(5.85-1.5)
    نموذج
    4-RF3416-0.5(5.85-1.5)
  • دينار341315-0.35-01
    دينار341315-0.35-01
    نموذج
    JD341315-0.35-01
  • دينار272716-0.4-01
    دينار272716-0.4-01
    نموذج
    JD272716-0.4-01
  • JD511516-0.4-01
    JD511516-0.4-01
    نموذج
    JD511516-0.4-01
  • دينار 2016-0.3-01
    دينار 2016-0.3-01
    نموذج
    JD2016-0.3-01
  • دينار 3115-0.35-01
    دينار 3115-0.35-01
    نموذج
    JD3115-0.35-01
  • دينار631516-0.4-01
    دينار631516-0.4-01
    نموذج
    JD631516-0.4-01
  • RF1816-0.8(6.6-4.5)-6
    RF1816-0.8(6.6-4.5)-6
    نموذج
    RF1816-0.8(6.6-4.5)-6
  • 6-RF811515-0.5(0.5-8.2)
    6-RF811515-0.5(0.5-8.2)
    نموذج
    6-RF811515-0.5(0.5-8.2)
  • 6-RF821515-0.5(5.5-2.5)
    6-RF821515-0.5(5.5-2.5)
    نموذج
    6-RF821515-0.5(5.5-2.5)
  • دينار 501516-0.4-01
    دينار 501516-0.4-01
    نموذج
    JD501516-0.4-01
  • JD811520-0.5-0.1
    JD811520-0.5-0.1
    نموذج
    JD811520-0.5-0.1
  • 7-RF941515-0.5(5.5-2.5)
    7-RF941515-0.5(5.5-2.5)
    نموذج
    7-RF941515-0.5(5.5-2.5)
  • دينار 1201515-0.5-01
    دينار 1201515-0.5-01
    نموذج
    JD1201515-0.5-01
  • JMC-265-JH
    JMC-265-JH
    نموذج
    JMC-265-JH
  • دينار 1201515-0.5-02
    دينار 1201515-0.5-02
    نموذج
    JD1201515-0.5-02
  • RF1816-0.8(6.6-4.5)-9
    RF1816-0.8(6.6-4.5)-9
    نموذج
    RF1816-0.8(6.6-4.5)-9
  • JYZ22-0.45-01
    JYZ22-0.45-01
    نموذج
    JYZ22-0.45-01
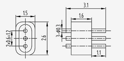
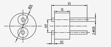
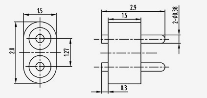
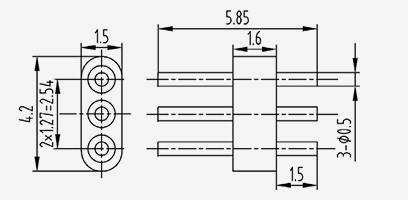
  • مقاومة مميزة غير 50 ​​أوم - متعدد النواة
    مقاومة مميزة غير 50 ​​أوم - متعدد النواة
    نموذج الحجم (مم)
    أ ب ج د ه ف ز ح عملية سحب صف الإنهاء
    JD156018-0.3(27.2-0.8)-8 27.2 0.8 1.4 6 1.8 0.6 0.3 0 8 1 موصل داخلي للوجه العلوي
    JD151152-0.3(4.5-1.5)-9 4.5 1.5 1.5 11.5 2 1.27 0.3 0 9 1 لحام
    2-JD162020-0.3(5-1.7)-4 أ1=5
    أ2=3.6
    ب1=1.7
    ب2=1
    1.6 2 2 0.57 0.3 0.57 4 2 فlat bonding on both sides of the inner conductors
    2-JD162020-0.3(7.6-1.7)-4 أ1=7.6
    أ2=3.6
    ب1=1.7
    ب2=1
    1.6 2 2 0.57 0.3 0.56 4 2 فlat bonding on both sides of inner conductor ends
    JD158215-0.38(7-0.8)-6 7 0.8 1.5 8.2 1.5 1.27 0.38 0 6 1 ربط وجه رأس الظفر العلوي
    JD153015-0.38(8-1.9)-2 8 1.9 1.5 3 1.5 1.27 0.38 0 2 1 ملحومة
    2-JD162525-0.38(10.6-3.5)-4 10.6 3.5 1.6 2.5 2.5 0.71 0.38 0.71 4 2 لحام
    2-JD187425-0.38(3.8-1)-16 أ1=3.8
    أ2=5.2
    ب1=1
    ب2=1.7
    1.8 7.4 2.5
    4
    0.88 0.38 1.02 16 2 ينتهي الموصل الداخلي بالارض والمستعبدين جانبيا
    JD1510516-0.45(7.5-2)-8 7.5 2 1.5 10.5 1.6 1.27 0.45 0 8 1 لحام
    JD155515-0.5(5.7-1.7}-4 5.7 1.7 1.5 5.5 1.5 1.27 0.5 0 4 1 موصل داخلي للجانب العلوي بالارض
    JD1512015-0.5(5.8-2.5)-9 5.8 2.5 1.5 12 1.5 1.27 0.5 0 9 1 الموصل الداخلي السفلي يسطح الترابط الجانبي
    JD153015-0.5(7-0.5)-2 7 0.5 1.5 3 1.5 1.27 0.5 0 2 1 بonding of inner conductor ends
  • مقاومة مميزة غير 50 ​​أوم - متعدد النواة
    مقاومة مميزة غير 50 ​​أوم - متعدد النواة
    نموذج الحجم (مم)
    أ ب ج د ه ف ز ح عملية سحب صف الإنهاء
    JD153815-0.5(7.7-1.2)-2 7.7 1.2 1.5 3.8 1.5 2.1 0.5 0 2 1 موصل داخلي للجانب العلوي بالارض
    JD153015-0.5(13.5-4)-2 13.5 4 1.5 3 1.5 1.27 0.5 0 2 1 لحام
    JD1613215-0.5(10.6-2)-10 10.6 2 1.6 13.2 1.5 1.27 0.5 0 10 1 لحام
    JD302915-0.5(8-1)-2 8 1 3 2.9 1.5 1.27 0.5 0 2 1 موصل داخلي للوجه العلوي
    2-JD165528-0.5(7.6-1)-8 7.6 1 1.6 5.5 2.8 1.07 0.5 0 8 2 موصل داخلي للوجه العلوي
    2-JD154330-0.5(5.8-2)-5 أl=5.8
    أ2=5.1
    ب1=2
    ب2=1.3
    1.5 4.3 3 1.27 0.5 1.5 5 2 تسطيح الجانب العلوي من اللحام
    2-JD156830-0.5(5.8-2)-9 أl=5.8
    أ2=5.1
    ب1=2
    ب2=1.3
    1.5 6.8 ن 1.27 0.5 1.5 6 2 لحام تسطيح الجانب العلوي للموصل الداخلي
    2-JD1512030-0.5(9.3-2.8)-18 أ1=9.3
    أ2=8
    ب1=2.8
    ب2=1.5
    1.5 12 3 1.27 0.5 1.5 18 2 لحام Flattening of inner conductor ends
    3-JD155545-0.5(9.5-4)-12 أl=9.5
    أ2=7.5
    أ3=5.5
    ب1=4
    ب2=3
    ب3=2
    1.5 5.5 4.5 1.27 0.5 1.5 12 3 لحام
    2-JD207015-0.6(7-3)-10 أ1=7
    أ2=6
    ب1=3
    ب2=2
    2 7 1.5 1.27 0.6 1.5 10 2 الموصل الداخلي مسطح ومثبت على كلا الجانبين
    2-JD3012230-0.6(10.8-5)18 10.8 5 3 12.2 3 1.27 0.6 1.5 18 2 الجانب السفلي من الموصل الداخلي مسطح الترابط
  • JYZ22-0.45-02
    JYZ22-0.45-02
    نموذج
    JYZ22-0.45-02

أبق على اتصال

[#مدخل#]
إرسال
معلومات عنا
نينغبو هانسون تكنولوجيا الاتصالات المحدودة
نينغبو هانسون تكنولوجيا الاتصالات المحدودة
Ningbo Hanson Communication Technology Co., Ltd. is China عازل زجاجي للترددات اللاسلكية Supplier and Custom عازل زجاجي للترددات اللاسلكية Company. We are a manufacturer specializing in the production, processing, and trade of communication components, with more than 30 years of experience in RF coaxial connectors, adapters, and cable assemblies. لقد طورت الشركة الآن ورشة التصنيع الخاصة بها، وورشة الطلاء الكهربائي، وورشة التجميع، ومجموعة من الموردين المستقرين والموثوقين. هدف الشركة هو تزويد العملاء بمنتجات عالية الجودة. المنتجات الرئيسية هي الموصلات المحورية للترددات اللاسلكية، والمحولات، وتجميعات الكابلات عالية التردد، وتجميعات الكابلات ذات التشكيل البيني المنخفض. بالإضافة إلى ذلك، يمكن للشركة أيضًا تقديم خدمات للعملاء ذوي الاحتياجات المخصصة لتلبية متطلبات العملاء الخاصة للمنتجات. تُستخدم منتجات الشركة على نطاق واسع في مجال الطيران ومحطات الاتصالات والمعدات الطبية وغيرها من مجالات التقنية العالية. في وقت إصلاح المؤسسات والابتكار والتطوير والنمو، أخذت الشركة زمام المبادرة للانضمام إلى نظام إدارة الجودة الدولي ISO9001 وقامت باستمرار بتحسين مستوى الإدارة لتوفير منتجات وخدمات أكثر إرضاءً للعملاء الجدد والقدامى.
آخر الأخبار
هل تبحث عن فرصة عمل؟

طلب مكالمة اليوم