OEM موصل الشركات عبر الوطنية Supplier

نينغبو هانسون تكنولوجيا الاتصالات المحدودة بيت / منتجات / موصل محوري للترددات اللاسلكية / موصل الشركات عبر الوطنية

موصل الشركات عبر الوطنية

وصف:

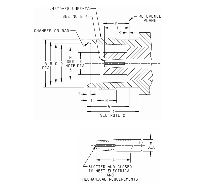
تم تطوير وإنتاج الموصلات المحورية للترددات اللاسلكية من سلسلة TNC وفقًا للمعيار العسكري الأمريكي MIL-C-39012. تتميز بخصائص النطاق الترددي الواسع والاتصال الموثوق به ومقاومة الصدمات الجيدة. إنها مناسبة للموصلات وكابلات الترددات اللاسلكية لإدخال وإخراج الإشارة لأجهزة الراديو والأدوات الإلكترونية ومكونات الليزر المختلفة.

المعلمة:

المواصفات الفنية الرئيسية:
◆ الممانعة المميزة: 50 أوم
◆ نطاق التردد: DC-18 جيجا هرتز
◆ مقاومة العزل: ≥5000MΩ
◆ جهد تحمل العزل الكهربائي: 1500 فولت (جذر متوسط ​​المربع)
◆ نسبة الجهد الموجي الدائم (VSWR): .31.30
◆ دورات التزاوج: 500 مرة

استفسر

خافت
لتر
ملليمتر (بوصة)
الحد الأدنى الحد الأقصى
أ .378 (9.60) .381 (9.68)
ب .346 (8.79) .356 (9.04)
ج .327 (8.31) .333 (8.46)
د .319 (8.10) .321 (8.15)
ه ------- .186 (4.72)
ف .068 (1.73) .088 (2.24)
ز .327 (8.31) .335 (8.51)
ح .187 (4.75) -------
ج .186 (4.72) .206 (5.23)
ك ------- .006 (0.15)
ل .195 (4.95) -------
م .081 (2.06) .087 (2.21)
ن ------- .256 (6.50)
ص .188 (4.78) .208 (5.28)
ر .414 (10.52) -------
ت .015 (0.38) .030 (0.76)

ملحوظات:
1. يجب أن تلبي هذه الواجهة متطلبات المقياس كما هو محدد في
مIL-صرف-39012/28.
2. إزالة الجوز اقتران موصل التزاوج.
3. ينطبق البعد على ذلك الجزء (إن أمكن) من العازل الكهربائي
الذي يبرز خارج المعدن
الكتف (أو المستوى المرجعي) حسب البعد ك.
4. معرف يلبي VSwR عند التزاوج مع دبوس بقطر .052 بوصة (1.32 مم)/.054 (1.37 مم).

خافت
لتر
ملليمتر (بوصة)
الحد الأدنى الحد الأقصى
أ .440 (11.18) -------
ب زauge test
ج .190 (4.83) -------
د .052 (1.32) .054 (1.37)
ه .210 (5.33) .230 (5.84)
ف .006 (0.15) -------
ز .208 (5.28) .228 (5.79)
ح .003 (0.08) .040 (1.02)
ك .078 (1.98) -------
م ------- .078 (1.98)
ن .063 (1.60) -------
ص .156 (3.96) -------
ر ------- .025 (0.64)
ت ------- .322 (8.18)

ملحوظات:
1. يجب أن تلبي هذه الواجهة متطلبات المقياس كما هو محدد في MIL-PRF-39012/26.

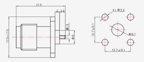
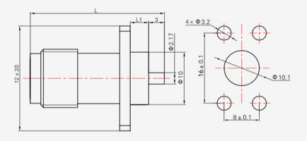
الشركات عبر الوطنية SERIES
  • الشركات عبر الوطنية-KF3A
    الشركات عبر الوطنية-KF3A
    نموذج نوع الكابل
    الشركات عبر الوطنية-KF3A سي في-50-2-1,RG316
    الشركات عبر الوطنية-KF5A SYV-50-3، RG142، SFCJ-50-3-51
  • الشركات عبر الوطنية-KF3A-1
    الشركات عبر الوطنية-KF3A-1
    نموذج نوع الكابل
    الشركات عبر الوطنية-KF3A-1 SYV-50-2-1,RG316
  • الشركات عبر الوطنية-JB2
    الشركات عبر الوطنية-JB2
    نموذج نوع الكابل د
    الشركات عبر الوطنية-JB2 SFT-50-2,670-086 Φ2.2
    الشركات عبر الوطنية-JB3 SFT-50-3,670-141 Φ3.6
  • الشركات عبر الوطنية-JWB2
    الشركات عبر الوطنية-JWB2
    نموذج نوع الكابل د
    الشركات عبر الوطنية-JWB2 SFT-50-2,670-086 Φ2.2
    الشركات عبر الوطنية-JWB3 SFT-50-3,670-141 Φ3.6
  • الشركات عبر الوطنية-KB2
    الشركات عبر الوطنية-KB2
    نموذج نوع الكابل د
    الشركات عبر الوطنية-KB2 SFT-50-2,670-086 Φ2.2
    الشركات عبر الوطنية-KB3 SFT-50-3,670-141 Φ3.6
  • عبر الوطنية-KFB2
    عبر الوطنية-KFB2
    نموذج نوع الكابل د
    عبر الوطنية-KFB2 SFT-50-2,670-086 Φ2.2
    الشركات عبر الوطنية-KFB3 SFT-50-3,670-141 Φ3.6
  • TNC-KFB2-1
    TNC-KFB2-1
    نموذج نوع الكابل د
    TNC-KFB2-1 SFT-50-2,670-086 Φ2.2
    الشركات عبر الوطنية-KFB3-1 SFT-50-3,670-141 Φ3.6
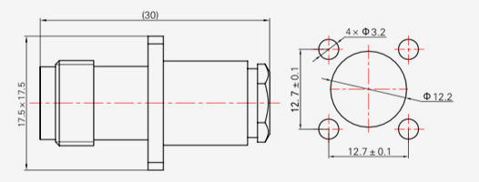
  • الشركات عبر الوطنية-KFD2
    الشركات عبر الوطنية-KFD2
    نموذج ل ل1
    KFD2 27 3.5
    KFD3 22 2
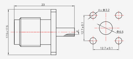
  • الشركات عبر الوطنية-J3A
    الشركات عبر الوطنية-J3A
    نموذج نوع الكابل
    الشركات عبر الوطنية-J3A سي في-50-2-1,RG316
    الشركات عبر الوطنية-J5A SYV-50-3-4، RG142، SFCJ-50-3-51
    الشركات عبر الوطنية-J5AC
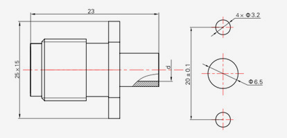
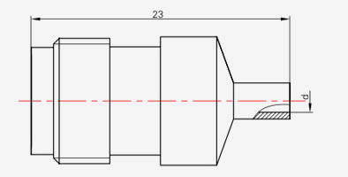
  • الشركات عبر الوطنية-J4
    الشركات عبر الوطنية-J4
    نموذج نوع الكابل ل
    الشركات عبر الوطنية-J4 سيف-50-2-2 31
    الشركات عبر الوطنية-J5 SYV-50-3-4، SFCJ-50-3-51، RG316 31
    الشركات عبر الوطنية-(ك)5
    الشركات عبر الوطنية-J5C
    الشركات عبر الوطنية-J7 SYV-50-5-1، SFCJ-50-5-51 36
    الشركات عبر الوطنية-J7C
    الشركات عبر الوطنية-J10 SYV-50-7-1، SYV-50-7-2، SFCJ-50-7-51 36
    الشركات عبر الوطنية-J10C
  • الشركات عبر الوطنية-JW5
    الشركات عبر الوطنية-JW5
    نموذج نوع الكابل
    الشركات عبر الوطنية-JW5 SYV-50-3-4، SFCJ-50-3-51، RG142
    الشركات عبر الوطنية-JW7 SYV-50-5-1،SFCJ-50-5-51
    الشركات عبر الوطنية-JW10 SYV-50-7-2،SFCJ-50-7-51
  • الشركات عبر الوطنية-JW5-1
    الشركات عبر الوطنية-JW5-1
    نموذج نوع الكابل
    الشركات عبر الوطنية-JW5-1 SYV-50-3-4،SFCJ-50-3-51،RG142
  • عبر الوطنية-K5
    عبر الوطنية-K5
    نموذج نوع الكابل ل
    عبر الوطنية-K5 SYV-50-3-4، SFCJ-50-3-51، RG142 31
    الشركات عبر الوطنية-(ي)5
    الشركات عبر الوطنية-K7 SYV-50-5-1، SFCJ-50-5-51 33
    عبر الوطنية-K10 SYV-50-7-1، SYV-50-7-2، SFCJ-50-7-51 33
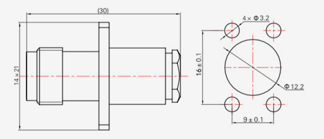
  • الشركات عبر الوطنية-KFD1
    الشركات عبر الوطنية-KFD1
  • الشركات عبر الوطنية-KFD4
    الشركات عبر الوطنية-KFD4

أبق على اتصال

[#مدخل#]
إرسال
معلومات عنا
نينغبو هانسون تكنولوجيا الاتصالات المحدودة
نينغبو هانسون تكنولوجيا الاتصالات المحدودة
Ningbo Hanson Communication Technology Co., Ltd. is China موصل الشركات عبر الوطنية Supplier and Custom موصل الشركات عبر الوطنية Company. We are a manufacturer specializing in the production, processing, and trade of communication components, with more than 30 years of experience in RF coaxial connectors, adapters, and cable assemblies. لقد طورت الشركة الآن ورشة التصنيع الخاصة بها، وورشة الطلاء الكهربائي، وورشة التجميع، ومجموعة من الموردين المستقرين والموثوقين. هدف الشركة هو تزويد العملاء بمنتجات عالية الجودة. المنتجات الرئيسية هي الموصلات المحورية للترددات اللاسلكية، والمحولات، وتجميعات الكابلات عالية التردد، وتجميعات الكابلات ذات التشكيل البيني المنخفض. بالإضافة إلى ذلك، يمكن للشركة أيضًا تقديم خدمات للعملاء ذوي الاحتياجات المخصصة لتلبية متطلبات العملاء الخاصة للمنتجات. تُستخدم منتجات الشركة على نطاق واسع في مجال الطيران ومحطات الاتصالات والمعدات الطبية وغيرها من مجالات التقنية العالية. في وقت إصلاح المؤسسات والابتكار والتطوير والنمو، أخذت الشركة زمام المبادرة للانضمام إلى نظام إدارة الجودة الدولي ISO9001 وقامت باستمرار بتحسين مستوى الإدارة لتوفير منتجات وخدمات أكثر إرضاءً للعملاء الجدد والقدامى.
آخر الأخبار
هل تبحث عن فرصة عمل؟

طلب مكالمة اليوم