OEM SMA RF Coaxial Connector Supplier

موصل SMA

وصف:

الموصل المحوري SMA RF هو موصل محوري للترددات اللاسلكية مع آلية اتصال ملولبة تم تطويرها وإنتاجها وفقًا للمعيار العسكري الأمريكي MIL-C-39012. إنها تتميز بمزايا الحجم الصغير وعرض النطاق الترددي الواسع والأداء الميكانيكي والكهربائي الممتاز والموثوقية العالية. إنه أحد موصلات الترددات اللاسلكية الأكثر استخدامًا. يستخدم على نطاق واسع في اتصالات الموجات الدقيقة والفضاء وأنظمة الأسلحة ومعدات قياس الموجات الدقيقة وغيرها من المجالات

المعلمة:

المواصفات الفنية الرئيسية:
◆ الممانعة المميزة: 50 أوم
◆ نطاق التردد: DC-26.5 جيجا هرتز
◆ مقاومة العزل: ≥5000MΩ
◆ جهد تحمل العزل الكهربائي: 1000 فولت (جذر متوسط ​​المربع)
◆ نسبة الجهد الموجي الدائم (VSWR): .251.25
◆ دورات التزاوج: 500 مرة

استفسر
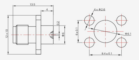
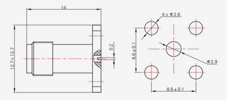
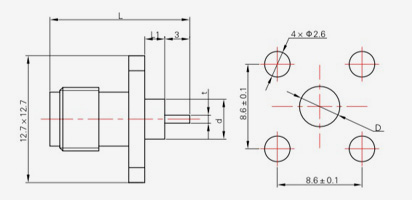
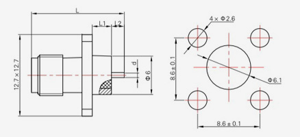
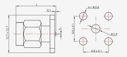
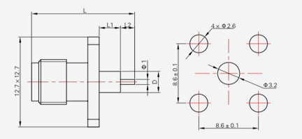
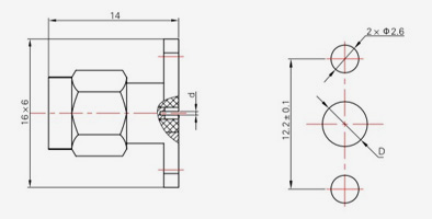
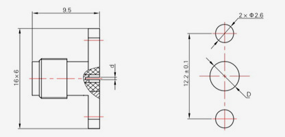
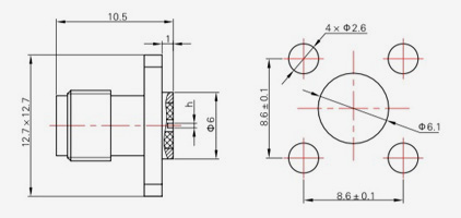
  • أبعاد واجهة موصل Sمأ ذكر/قابس

خافت.
لتر.
بوصة (مم)
دقيقة. الأعلى.
أ .255(6.48) ------
ب ------ .1808(4.59)
ج ------ .135(3.43)
د .130(3.30) ------
ه .015(0.38) .045(1.14)
ف .0355(0.90) .0370(0.94)
ز ------ .012(0.30)
ح ------ .100(2.54)
ج .000(0.00) ------
ك .050(1.27) ------

ملحوظات:
1. الأبعاد بالبوصة.
2. يتم تقديم المعادلات المترية للعلم فقط.
3. يجب أن تبقى واجهات الموصل (بعد التزاوج) خالية من الغبار والرطوبة.
4. قد يمتد على طول صامولة التوصيل بالكامل.



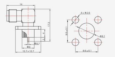
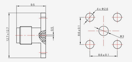
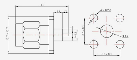
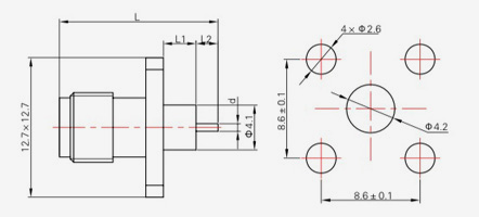
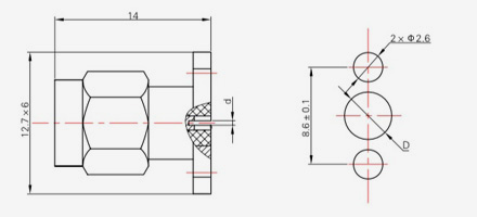
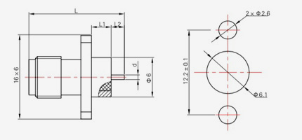
  • أبعاد واجهة موصل SMA أنثى / جاك

خافت.
لتر.
بوصة (مم)
دقيقة. الأعلى.
أ .208 (5.28) .216(5.49)
ب .1810(4.60) ------
ج .218(5.54) ------
د .170(4.32) ------
ه 0.15(0.38) .045(1.14)
ف .049(1.24) .051(1.30)
ز .000(0.00) .010(0.25)
ح .074(1.88) .078(1.98)
ج .043(1.09) .047(1.19)
ك .000(0.00) .010(0.25)
M .105(2.67) ------
ن .168 (4.27) ------

ملحوظات:
1. الأبعاد بالبوصة.
2. المعادلات المترية للعلم فقط.
3. الأجزاء المؤهلة مسبقًا التي تستخدم الحد الأقصى لانحسار الاتصال بمقدار 0.030 بوصة (0.76) غير مقبولة للاستخدام الحكومي. يجب توخي الحذر لتحديد ما إذا كان يتم استخدام تصميم الركود .030 أثناء الصيانة واستبدال الأجزاء.
4. إزالة الجوز اقتران موصل التزاوج.
5. البعد لتلبية VSWR، وخصائص التزاوج، ومتانة الموصل عند التزاوج مع
.0355/-.0370 بوصة قطر دبوس.

سما SERIES
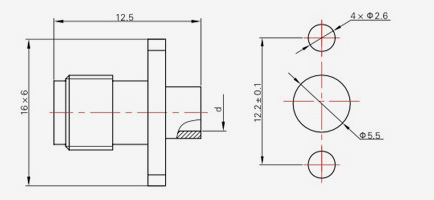
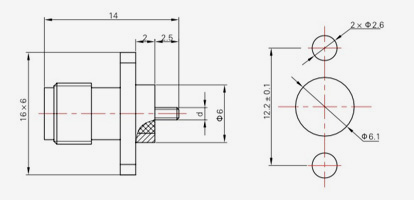
  • سما-JB1
    سما-JB1
    نموذج نموذج الكابل د ل
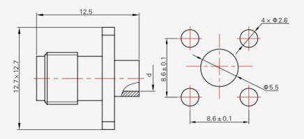
    سما-JB1 SFT-50-1,670-047 Φ1.2 12.5
    سما-JB2 SFT-50-2,670-086 Φ2.2 11.2
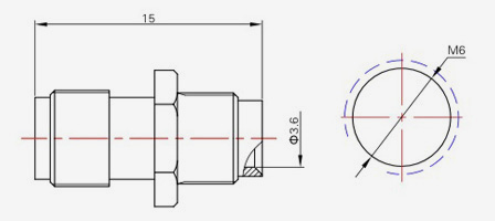
    سما-JB3 SFT-50-3,670-141 Ф3.6 12.0
  • سما-JB3A
    سما-JB3A
    نموذج نموذج الكابل
    سما-JB3A SFT-50-3,670-141
  • سما-JB3E
    سما-JB3E
    نموذج نموذج الكابل
    سما-JB3E SFT-50-3,670-141
  • سما-JWB2
    سما-JWB2
    نموذج نموذج الكابل د ل
    سما-JWB2 SFT-50-2,670-086 Φ2.2 15.6
    SMA-JWB3 SFT-50-3,670-141 Φ3.6 16
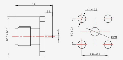
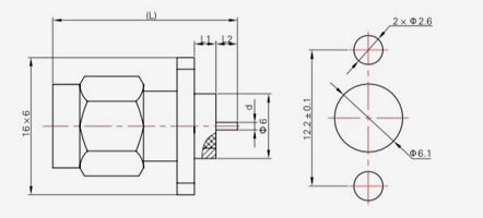
  • SMA-KB2
    SMA-KB2
    نموذج نموذج الكابل د
    SMA-KB2 SFT-50-2,670-086 Φ2.2
    سما-KB3 SFT-50-3,670-141 Φ3.6
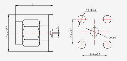
  • سما-J5
    سما-J5
    نموذج نموذج الكابل
    سما-J5 سي في-50-3، RG142،
    سفكج-50-3-51
    سما-J5C
  • SMA-(ك)5
    SMA-(ك)5
    نموذج نموذج الكابل
    SMA-(ك)5 سي في-50-3، RG142،
    SFCJ-50-3-51
  • سما-J5.3
    سما-J5.3
    نموذج نموذج الكابل
    سما-J5.3 32055,205,GNB-415
  • سما-JW2
    سما-JW2
    نموذج نموذج الكابل
    سما-JW2 سيف-50-1
    سما-JW3 سي في-50-2-1,RG316
    سما-JW4 سيف-50-2-2
    سما-JW5 SYV-50-3، RG142، SFCJ-50-3-51
  • سما-JW5-1
    سما-JW5-1
    نموذج نموذج الكابل
    سما-JW5-1 SYV-50-3، RG142، SFCJ-50-3-51
  • SMA-KFB2
    SMA-KFB2
    نموذج نموذج الكابل د
    SMA-KFB2 SFT-50-2,670-086 Φ2.2
    SMA-KFB3 SFT-50-3,670-141 Φ3.6
  • سما-KFB2-1
    سما-KFB2-1
    نموذج نموذج الكابل د
    سما-KFB2-1 SFT-50-2,670-086 Φ2.2
    سما-KFB3-1 SFT-50-3,670-141 Φ3.6
  • SMA-KYB2
    SMA-KYB2
    نموذج نموذج الكابل د
    SMA-KYB2 SFT-50-2,670-086 Φ2.2
    SMA-KYB3A SFT-50-3,670-141 Φ3.6
  • SMA-KYB3
    SMA-KYB3
    نموذج نموذج الكابل د
    SMA-KYB3 SFT-50-3,670-141 Φ3.6
  • سما-J2
    سما-J2
    نموذج نموذج الكابل
    سما-J2 سيف-50-1
    سما-J3 سي في-50-2-1,RG316
    سما-J4 SYV-50-2-2
  • سما-K2
    سما-K2
    نموذج نموذج الكابل
    سما-K2 سيف-50-1
    سما-K3 SYV-50-2-1,RG316
  • سما-K5
    سما-K5
    نموذج نموذج الكابل
    سما-K5 SYV-50-3، RG142، SFCJ-50-3-51
    سما-K5C
  • سما-(ي)5
    سما-(ي)5
    نموذج نموذج الكابل
    سما-(ي)5 SYV-50-3، RG142، SFCJ-50-3-51
  • سما-KF2
    سما-KF2
    نموذج نموذج الكابل
    سما-KF2 سيف-50-1
    سما-KF3 SYV-50-2-1,RG316
  • سما-KY2
    سما-KY2
    نموذج نموذج الكابل
    سما-KY2 سيف-50-1
    سما-KY3 سي في-50-2-1,RG316
    سما-KY5 SYV-50-3، RG142، SFCJ-50-3-51
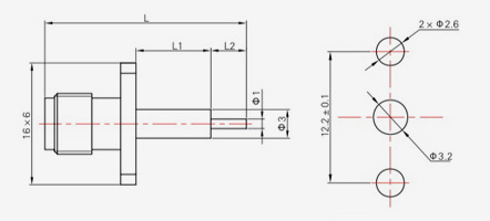
  • SMA-JFD1
    SMA-JFD1
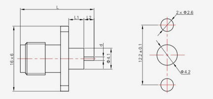
    نموذج ل ل1 ل2
    SMA-JFD1 18 3 2
    SMA-JFD30 18 3 1.5
    SMA-JFD95 19 4 2
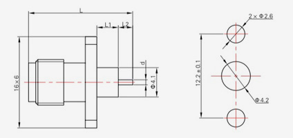
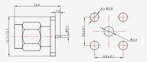
  • SMA-JFD2
    SMA-JFD2
    نموذج ل ل1 ل2 د
    SMA-JFD2 18 3 2 Φ0.7
    SMA-JFD31 18.5 3 2.5 Φ1.0
    SMA-JFD59 25 3 9 Φ1.0
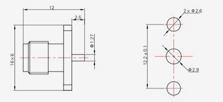
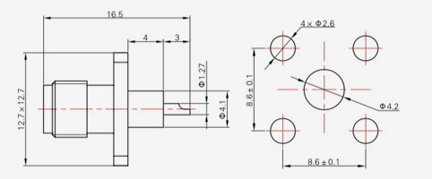
  • SMA-JFD4
    SMA-JFD4
    نموذج ل ل1 ل2 د
    SMA-JFD4 32 8 11 Φ1.27
    SMA-JFD5 18 3 2 Φ1.0
    SMA-JFD13 25 8 4 Φ1.27
    SMA-JFD58 29.2 15 2 Φ1.27
  • SMA-JFD6
    SMA-JFD6
    نموذج ل ل1 ل2 د
    SMA-JFD6 32 8 11 Φ1.27
    SMA-JFD7 25 8 4 Φ1.27
    SMA-JFD8 31 15 3 Φ1.27
    SMA-JFD9 18.2 3 2 Φ1.27
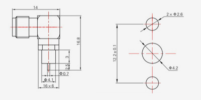
  • SMA-KFD3
    SMA-KFD3
    نموذج ل ل1 ل2 د
    SMA-KFD3 27.5 15 3 Φ1.27
    SMA-KFD4 33.5 21 3 Φ1.27
    SMA-KFD8 18.5 6 3 Φ1.27
    SMA-KFD9 24.5 12 3 Φ1.27
    SMA-KFD16 20.5 8 3 Φ1.27
    SMA-KFD21 15.5 2 4 Φ1.27
    SMA-KFD24 22.5 10 3 Φ1.27
    SMA-KFD33 17.5 5 3 Φ1.7
  • SMA-KFD3
    SMA-KFD3
    نموذج ل ل1 ل2 د
    SMA-KFD46 16.5 4 3 Φ1.27
    SMA-KFD52 16.5 2 5 Φ1.0
    SMA-KFD53 20.5 6 5 Φ1.0
    SMA-KFD87 15 3 2.5 Φ0.7
    SMA-KFD133 15.5 4 2 Φ0.7
    SMA-KFD146 22.3 7 5 Φ1.0
    SMA-KFD147 18.5 4 5 Φ1.0
  • SMA-KFD5
    SMA-KFD5
    نموذج ل ل1 ل2 د
    SMA-KFD5 15.5 4 2 Φ1.27
    SMA-KFD6 22.5 8 5 Φ0.7
    SMA-KFD7 20.5 8 3 Φ1.27
    SMA-KFD18 16 4 1.5 Φ0.5
    SMA-KFD20 18.5 6 3 Φ1.27
    SMA-KFD22 27.5 15 3 Φ1.27
    SMA-KFD23 14.1 4 0.6 Φ0.4
    SMA-KFD30 33.5 21 3 Φ1.27
    SMA-KFD43 21.5 4 8 Φ1.27
    SMA-KFD47 14 2 2.5 Φ1
  • SMA-KFD5
    SMA-KFD5
    نموذج ل ل1 ل2 د
    SMA-KFD61 16.5 4.5 2 Φ1.27
    SMA-KFD62 17 3.5 4 Φ1.27
    SMA-KFD63 19.5 3.5 4 Φ1.27
    SMA-KFD64 18 3.5 5 Φ1.27
    SMA-KFD65 19 4.5 5 Φ1.27
    SMA-KFD66 20.5 4.5 6.5 Φ1.27
    SMA-KFD71 15.5 4 2 Φ0.7
    SMA-KFD122 21.5 6 6 Ф1.2
    SMA-KFD123 14.5 2 3 Φ1.2
    SMA-KFD144 19.5 9 1 Φ1.0
    SMA-KFD177 20.5 8 3 Φ1.27
  • SMA-KFD11
    SMA-KFD11
    نموذج ل ل1 ل2 د
    SMA-KFD11 14.5 3 2 Φ0.5
    SMA-KFD29 16.5 5 2 Φ0.7
    SMA-KFD75 22.5 4 9 Φ0.7
    SMA-KFD76 14.5 3 2 Φ0.7
    SMA-KFD79 27.5 2 16 Φ1.0
    SMA-KFD95 15.5 4 2 Φ0.7
    SMA-KFD126 17.7 3 5.2 Φ1.0
    SMA-KFD127 22.5 3 10 Φ1.0
    SMA-KFD132 15.5 4 2 Φ1.0
    SMA-KFD140 18.5 5 4 Φ1.0
  • SMA-KFD31
    SMA-KFD31
    نموذج ل ل1 ل2 د
    SMA-KFD31 15 3 2.5 Φ1.0
    SMA-KFD32 21.5 3 9 Φ1.0
    SMA-KFD34 17.5 3 5 Φ1
    SMA-KFD80 16.5 3 4 Φ0.7
    SMA-KFD100 16.5 5 2 Φ0.7
    SMA-KFD101 15.5 4 2 Φ0.7
    SMA-KFD102 14.5 3 2 Φ0.7
    SMA-KFD130 21.5 3 9 Φ0.7
    SMA-KFD131 15.5 4 2 Φ1.0
    SMA-KFD134 17 5 2.5 Φ0.7
    SMA-KFD136 19.5 4 6 Φ1
    SMA-KFD163 18.7 3.2 5 Φ1.0
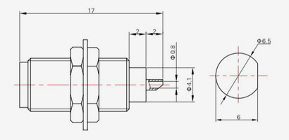
  • SMA-KFD81
    SMA-KFD81
    نموذج د
    SMA-KFD81 م1
    SMA-KFD109 م1.6
  • SMA-KFD119
    SMA-KFD119
    نموذج ل ل1 ل2 د
    SMA-KFD119 17 6.5 1 Φ3.0
    SMA-KFD121 18 6.5 2 Φ3.0
    SMA-KFD141 17.5 4 4 Φ3.2
    SMA-KFD142 18.3 7.8 1 Φ3.0
    SMA-KFD149 17.5 3 5 Φ3.0
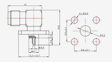
  • SMA-KWFD3
    SMA-KWFD3
    نموذج ل ل1 ل2 د د
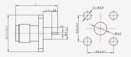
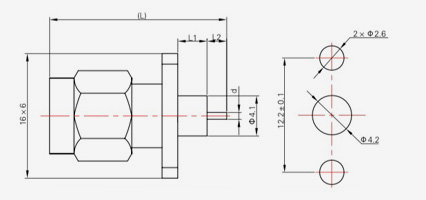
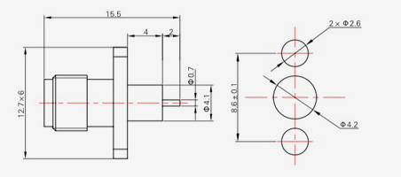
    SMA-KWFD3 26.7 11 4.5 Φ1.27 Φ4.1
    SMA-KWFD4 24.2 8 5 Φ1.0 Φ3.2
    SMA-KWFD5 24.2 8 5 Φ0.7 Φ4.1
    SMA-KWFD6 21.2 5 5 Φ0.7 Φ4.1
    SMA-KWFD7 24.2 3 10 Φ0.7 Φ4.1
    SMA-KWFD8 21.3 5 5 Φ0.7 Φ4.1
    SMA-KWFD9 16.2 3 2 Φ0.7 Φ4.1
    SMA-KWFD12 15.2 2 2 Φ0.7 Φ4.1
    SMA-KWFD49 25.2 5 9 Φ0.17 Φ4.1
  • SMA-JFD11
    SMA-JFD11
    نموذج ل ل1 ح
    SMA-JFD11 14 1 0.2
    SMA-JFD17 16 3 0.4
    SMA-JFD18 14 1 0.3
    SMA-JFD19 14 1 0.4
    SMA-JFD20 14 1 0.5
    SMA-JFD24 15 2 0.4
  • SMA-JFD12
    SMA-JFD12
    نموذج ل ح
    SMA-JFD12 13.1 0.4
    SMA-JFD14 13.1 0.55
  • SMA-KFD145
    SMA-KFD145
    نموذج ل ل1 ل2
    SMA-KFD145 22.3 7.8 5
    SMA-KFD151 21 2.5 9
    SMA-KFD161 20.5 6.5 5
    SMA-KFD162 17.5 3 5
  • SMA-KWF
    SMA-KWF
    نموذج ل ل1
    SMA-KWF 14.6 3.3
    SMA-KWFD10 13.3 2
  • SMA-JFD16
    SMA-JFD16
    نموذج ح
    SMA-JFD16 0.2
    SMA-JFD21 0.3
    SMA-JFD22 0.4
    SMA-JFD23 0.5
  • SMA-KFD26
    SMA-KFD26
    نموذج ح
    SMA-KFD26 0.2
    SMA-KFD27 0.4
    SMA-KFD110 0.3
    SMA-KFD111 0.5
  • SMA-KFD112
    SMA-KFD112
    نموذج ح
    SMA-KFD112 0.2
    SMA-KFD113 0.3
    SMA-KFD114 0.4
    SMA-KFD115 0.5
  • SMA-KFD13
    SMA-KFD13
    نموذج ل ل1 ر د د
    SMA-KFD13 16 4 0.5×0.2 Φ4.1 Φ4.2
    SMA-KFD14 15.2 3.2 0.5×0.2 Φ4.1 Φ4.2
    SMA-KFD35 15 3 1.27×0.2 Φ4.1 Φ4.2
    SMA-KFD45 14.4 2.4 0.5×0.2 Φ4.1 Φ4.2
    SMA-KFD68 15.2 3.2 0.5×0.2 Φ2.1 Φ2.2
    SMA-KFD73 16 4 1.27×0.2 Φ4.1 Φ4.2
  • SMA-KFD39
    SMA-KFD39
    نموذج ر
    SMA-KFD39 0.5×0.2
    SMA-KFD149 1.27×0.2
  • سما-JFD40
    سما-JFD40
    نموذج د د
    سما-JFD40 Φ0.5 Φ3.0
    SMA-JFD41 Φ0.45 Φ2.8
    SMA-JFD42 Φ0.38 Φ2.5
    SMA-JFD44 Φ0.3 Φ2.0
  • SMA-JFD48
    SMA-JFD48
    نموذج د د
    SMA-JFD48 Φ0.5 Φ3.0
    سما-JFD55 Φ0.45 Φ2.8
    SMA-JFD56 Φ0.38 Φ2.5
    SMA-JFD57 Φ0.3 Φ2.0
  • SMA-KFD40
    SMA-KFD40
    نموذج د د
    SMA-KFD40 Ф0.5 Φ3.0
    SMA-KFD41 Φ0.45 Φ2.8
    SMA-KFD42 Φ0.38 Φ2.5
    SMA-KFD44 Φ0.3 Φ2.0
  • SMA-KFD48
    SMA-KFD48
    نموذج د د
    SMA-KFD48 Φ0.5 Φ3.0
    SMA-KFD55 Φ0.45 Φ2.8
    SMA-KFD56 Φ0.38 Φ2.5
    SMA-KFD57 Φ0.3 Φ2.0
    SMA-KFD152 Φ0.4 Φ2.8
  • سما-خد
    سما-خد
    نموذج ل
    سما-خد 13.5
    سما-خد10 18.5
  • سما-KHD1
    سما-KHD1
    نموذج أ د
    سما-KHD1 1.2 Φ1.27
    سما-KHD2 1.5 Φ1.27
    سما-KHD3 2 Φ1.27
    سما-KHD4 0.5 Φ1.27
    سما-KHD5 0.8 Φ1.27
    سما-KHD6 1 Φ1.27
    SMA-KHD8 1.6 Φ0.8
    سما-KHD9 1.6 Φ1.27
    سما-KHD11 1 Φ0.5
  • SMA-JWF
    SMA-JWF
  • سما-KF1
    سما-KF1
  • SMA-KFD17
    SMA-KFD17
  • SMA-KFD150
    SMA-KFD150
  • سما-KWF1
    سما-KWF1
  • سما-كيد
    سما-كيد
  • SMA-JFD3
    SMA-JFD3
  • SMA-JFD61
    SMA-JFD61
  • SMA-KFD19
    SMA-KFD19
  • SMA-KFD36G
    SMA-KFD36G
  • SMA-KFD51
    SMA-KFD51
  • SMA-KFD125
    SMA-KFD125
  • SMA-KFD135
    SMA-KFD135
  • سما-KWFD2-1
    سما-KWFD2-1
  • سما-KWFD2-2
    سما-KWFD2-2
  • SMA-KFD154
    SMA-KFD154
  • SMA-KFD158
    SMA-KFD158
  • SMA-KWFD2
    SMA-KWFD2
  • SMA-JFD26
    SMA-JFD26
  • SMA-JFD124
    SMA-JFD124
  • SMA-KFD124
    SMA-KFD124
  • SMA-KFD143
    SMA-KFD143
  • SMA-JFD15
    SMA-JFD15
  • SMA-JFD25
    SMA-JFD25
  • SMA-KFD54
    SMA-KFD54
  • SMA-KFD78
    SMA-KFD78
  • SMA-JHD
    SMA-JHD
  • SMA-KHD7
    SMA-KHD7
  • SMA-KWHD
    SMA-KWHD
  • SMA-KWHD4
    SMA-KWHD4
  • SMA-KWHD5
    SMA-KWHD5

أبق على اتصال

[#مدخل#]
إرسال
معلومات عنا
نينغبو هانسون تكنولوجيا الاتصالات المحدودة
نينغبو هانسون تكنولوجيا الاتصالات المحدودة
Ningbo Hanson Communication Technology Co., Ltd. is China SMA RF Coaxial Connector Supplier and Custom SMA RF Coaxial Connector Company. We are a manufacturer specializing in the production, processing, and trade of communication components, with more than 30 years of experience in RF coaxial connectors, adapters, and cable assemblies. لقد طورت الشركة الآن ورشة التصنيع الخاصة بها، وورشة الطلاء الكهربائي، وورشة التجميع، ومجموعة من الموردين المستقرين والموثوقين. هدف الشركة هو تزويد العملاء بمنتجات عالية الجودة. المنتجات الرئيسية هي الموصلات المحورية للترددات اللاسلكية، والمحولات، وتجميعات الكابلات عالية التردد، وتجميعات الكابلات ذات التشكيل البيني المنخفض. بالإضافة إلى ذلك، يمكن للشركة أيضًا تقديم خدمات للعملاء ذوي الاحتياجات المخصصة لتلبية متطلبات العملاء الخاصة للمنتجات. تُستخدم منتجات الشركة على نطاق واسع في مجال الطيران ومحطات الاتصالات والمعدات الطبية وغيرها من مجالات التقنية العالية. في وقت إصلاح المؤسسات والابتكار والتطوير والنمو، أخذت الشركة زمام المبادرة للانضمام إلى نظام إدارة الجودة الدولي ISO9001 وقامت باستمرار بتحسين مستوى الإدارة لتوفير منتجات وخدمات أكثر إرضاءً للعملاء الجدد والقدامى.
آخر الأخبار
هل تبحث عن فرصة عمل؟

طلب مكالمة اليوم