OEM N type RF Coaxial Connector Supplier

نينغبو هانسون تكنولوجيا الاتصالات المحدودة بيت / منتجات / موصل محوري للترددات اللاسلكية / موصل محوري للترددات اللاسلكية من النوع N

موصل محوري للترددات اللاسلكية من النوع N

وصف:

الموصل المحوري للترددات اللاسلكية من السلسلة N هو موصل محوري للترددات اللاسلكية مع آلية اتصال ملولبة تم تطويرها وإنتاجها وفقًا للمعيار العسكري الأمريكي MIL-C-39012. إنه يتميز بخصائص النطاق الترددي الواسع، ومقاومة الصدمات الجيدة، والموثوقية العالية، والأداء الممتاز، ويستخدم على نطاق واسع في اتصالات الميكروويف وأنظمة القياس. تنقسم المعاوقة المميزة للموصل المحوري RF من سلسلة N من النوع N الذي ينتجه مصنعنا إلى نوعين: 50Ω و75Ω.

المعلمة:

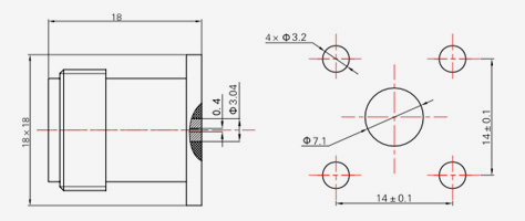
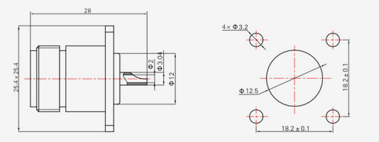
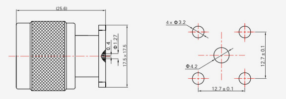
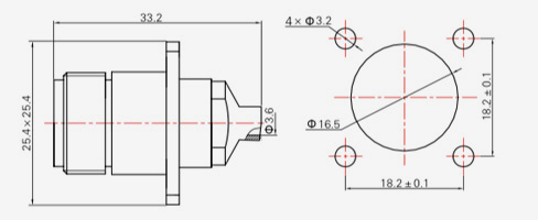
المواصفات الفنية الرئيسية:
◆ الممانعة المميزة: 50 أوم/75 أوم
◆ نطاق التردد: DC-18 جيجا هرتز (50 أوم)/DC-3 جيجا هرتز (75 أوم)
◆ مقاومة العزل: ≥5000MΩ
◆ جهد تحمل العزل الكهربائي: 1500 فولت (جذر متوسط ​​المربع)
◆ نسبة الجهد الموجي الدائم (VSWR): .31.30
◆ دورات التزاوج: 500 مرة

استفسر

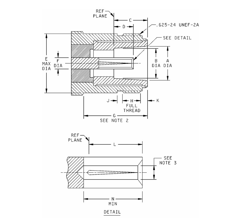
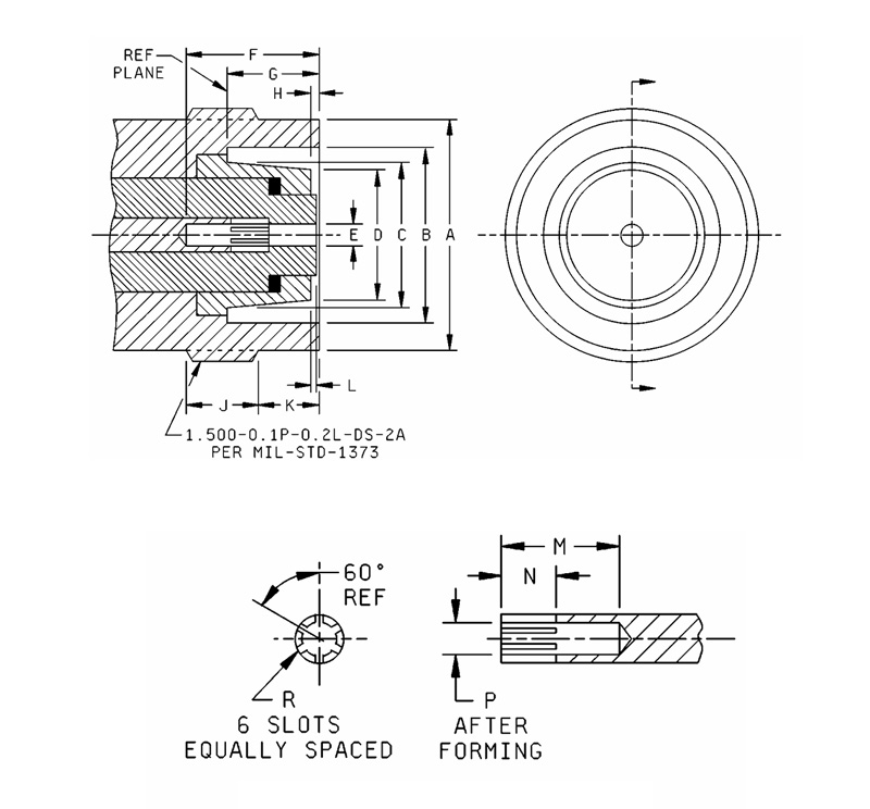
خافت
لتر
بوصة (مم)
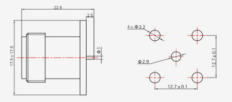
دقيقة. الأعلى.
أ .336 (8.53) .344 (8.74)
ب .316 (8.03) .320 (8.13)
ج .356 (9.04) .362 (9.19)
د .187 (4.75) .207 (5.26)
ه ------- .627 (15.93)
ف .119 (3.02) .124 (3.15)
ز .422 (10.72) -------
ح .172 (4.37) .220 (5.59)
ج .047 (1.19) .077 (1.96)
ك .047 (1.19) .077 (1.96)
ل .187 (4.75) .207 (5.26)
ن .210 (5.33) -------

ملحوظات:
1. يجب أن تلبي هذه الواجهة متطلبات المقياس كما هو محدد في
مIل-صرف-39o12/2.
2. إزالة الجوز اقتران موصل التزاوج.
3. لتلبية VSwR، وخصائص التزاوج، ومقاومة الاتصال و
متانة الموصل عند تزاوجه مع دبوس بقطر .063/.066.

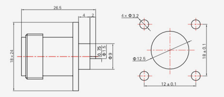
خافت
لتر
بوصة (مم)
دقيقة. الأعلى.
أ 1.740 (44.20) 1.760 (44.70)
ب 1.537 (39.04) 1.543 (39.19)
ج 1.060 (26.92) 1.064 (27.03)
د .964 (24.49) .974 (24.74)
ه .194 (4.93) .196 (4.98)
ف .836 (21.23) .856 (21.74)
ز .372 (9.45) .392 (9.96)
ح .271 (6.88) .291 (7.39)
ج 551 (14.00) .571 (14.50)
ك .370 (9.40) .380 (9.65)
ل .001 (0.03) .013 (0.33)

ملحوظات:
1. يجب أن تلبي هذه الواجهة متطلبات المقياس كما هو محدد في MIL-PRF-39012/44.

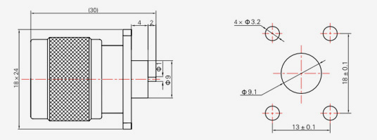
خافت
لتر
بوصة (مم)
دقيقة. الأعلى.
أ 1.404 (35.66) 1.408 (35.76)
ب 1.100 (27.94) 1.120 (28.45)
ج 1.998 (50.75) 1.002 (25.45)
د 936 (23.77) .940 (23.88)
ه .191 (4.85) .195 (4.95)
ف .763 (19.38) .783 (19.89)
ز .465 (11.81) .485 (12.32)
ح .062 (1.57) مرجع
ج .302 (7.67) .322 (8.18)
ك .302 (7.67) .322 (8.18)
ل .001 (0.03) .013 (0.33)
M .490 (12.45) .510 (12.95)
ن .240 (6.10) ,260 (6.60)
P .187 (4.75) .189 (4.80)
R .014 (0.36) .018 (0.46)

ملحوظات:
1. يجب أن تلبي هذه الواجهة متطلبات المقياس كما هو محدد في MIL-PRF-39012/45.

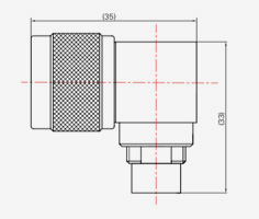
ن SERIES
  • N-JB2
    N-JB2
    نموذج نوع الكابل د
    N-JB2 SFT-50-2,670-086 Φ2.2
    N-JB3 SFT-50-3,670-141 Ф3.6
  • N-JB3-1
    N-JB3-1
    نموذج نوع الكابل ل
    N-JB3-1 SFT-50-3,670-141 17.6
    N-JB3A-1 SFT-50-3,670-141 16.5
  • ن-KB3
    ن-KB3
    نموذج نوع الكابل
    ن-KB3 SFT-50-3,670-141
  • N-KFB3
    N-KFB3
    نموذج نوع الكابل
    N-KFB3 SFT-50-3,670-141
  • N-KYB3
    N-KYB3
    نموذج نوع الكابل
    N-KYB3 SFT-50-3,670-141
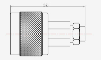
  • N-J3
    N-J3
    نموذج نوع الكابل
    N-J3 سي في-50-2-1,RG316
    N-J4 SYV-50-2-2
  • N-J5
    N-J5
    نموذج نوع الكابل ل
    N-J5 SYV-50-3، RG142، SFCJ-50-3-51 33
    N-J5C SYV-50-3، RG142، SFCJ-50-3-51 33
    N-J7 SYV-50-5-1، SFCJ-50-5-51 36
    N-J10 SYV-50-7-1، SYV-50-7-2، SFCJ-50-7-51 36
  • N-J5.3
    N-J5.3
    نموذج نوع الكابل
    N-J5.3 32055,205,GNB415
  • N-J311
    N-J311
    نموذج نوع الكابل
    N-J311 FFB311A
  • N-JW5
    N-JW5
    نموذج نوع الكابل
    N-JW5 SFCJ-50-3-51، SYV-50-3-4، RG142
    N-JW7 SFCJ-50-5-51، SYV-50-5-1
    N-JW10 SFCJ-50-7-51,SYV-50-7-2
  • N-JW8A
    N-JW8A
    نموذج نوع الكابل
    N-JW8A FFB311A، SYV-50-5
    N-JW12A سيف-75-3
    N-JW13A SYV-75-5
  • ن-ك3
    ن-ك3
    نموذج نوع الكابل
    ن-ك3 SYV-50-2-1,RG316
  • ن-ك5
    ن-ك5
    نموذج نوع الكابل ل
    ن-ك5 SYV-50-3، RG142، SFCJ-50-3-51 36
    ن-ك7 SYV-50-5-1،SFCJ-50-5-51 38
    ن-ك10 SYV-50-7-1،SFCJ-50-7-51 38
  • N-KF5
    N-KF5
    نموذج نوع الكابل ل
    N-KF5 SYV-50-3، RG142، SFCJ-50-3-51 36
    N-KF7 SYV-50-5-1،SFCJ-50-5-51 38
    ن-KF10 SYV-50-7-1،SFCJ-50-7-51 38
  • N-KF3A
    N-KF3A
    نموذج نوع الكابل ل
    N-KF3A سي في-50-2-1,RG316 33
    N-KF5A SYV-50-3-4,RG142 42
  • ن-KY3Y
    ن-KY3Y
    نموذج نوع الكابل
    ن-KY3Y SYV-50-2-1,RG316
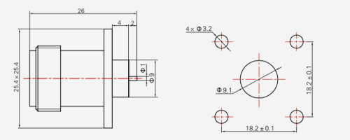
  • ن-كفد
    ن-كفد
    نموذج ل ل1 ل2
    KFD 26 4 2
    KFD2 31 6 5
    KFD15 30 6 4
    KFD16 28.5 6 2.5
    KFD17 28 6 2
    KFD18 29 5 4
    KFD19 29 4 5
    KFD20 33 4 9
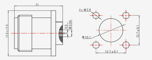
  • ن-كف
    ن-كف
  • N-JFD1
    N-JFD1
  • N-JFD2
    N-JFD2
  • N-JFD3
    N-JFD3
  • N-JFD23
    N-JFD23
  • ن-كفد1
    ن-كفد1
  • N-KFD7
    N-KFD7
  • ن-كفد11
    ن-كفد11
  • ن-كفد50
    ن-كفد50
  • ن-كفد-Z
    ن-كفد-Z
  • N-KFD9
    N-KFD9
  • ن-كفد14
    ن-كفد14

أبق على اتصال

[#مدخل#]
إرسال
معلومات عنا
نينغبو هانسون تكنولوجيا الاتصالات المحدودة
نينغبو هانسون تكنولوجيا الاتصالات المحدودة
Ningbo Hanson Communication Technology Co., Ltd. is China N type RF Coaxial Connector Supplier and Custom N type RF Coaxial Connector Company. We are a manufacturer specializing in the production, processing, and trade of communication components, with more than 30 years of experience in RF coaxial connectors, adapters, and cable assemblies. لقد طورت الشركة الآن ورشة التصنيع الخاصة بها، وورشة الطلاء الكهربائي، وورشة التجميع، ومجموعة من الموردين المستقرين والموثوقين. هدف الشركة هو تزويد العملاء بمنتجات عالية الجودة. المنتجات الرئيسية هي الموصلات المحورية للترددات اللاسلكية، والمحولات، وتجميعات الكابلات عالية التردد، وتجميعات الكابلات ذات التشكيل البيني المنخفض. بالإضافة إلى ذلك، يمكن للشركة أيضًا تقديم خدمات للعملاء ذوي الاحتياجات المخصصة لتلبية متطلبات العملاء الخاصة للمنتجات. تُستخدم منتجات الشركة على نطاق واسع في مجال الطيران ومحطات الاتصالات والمعدات الطبية وغيرها من مجالات التقنية العالية. في وقت إصلاح المؤسسات والابتكار والتطوير والنمو، أخذت الشركة زمام المبادرة للانضمام إلى نظام إدارة الجودة الدولي ISO9001 وقامت باستمرار بتحسين مستوى الإدارة لتوفير منتجات وخدمات أكثر إرضاءً للعملاء الجدد والقدامى.
آخر الأخبار
هل تبحث عن فرصة عمل؟

طلب مكالمة اليوم